Product Name : SE-2000
Description
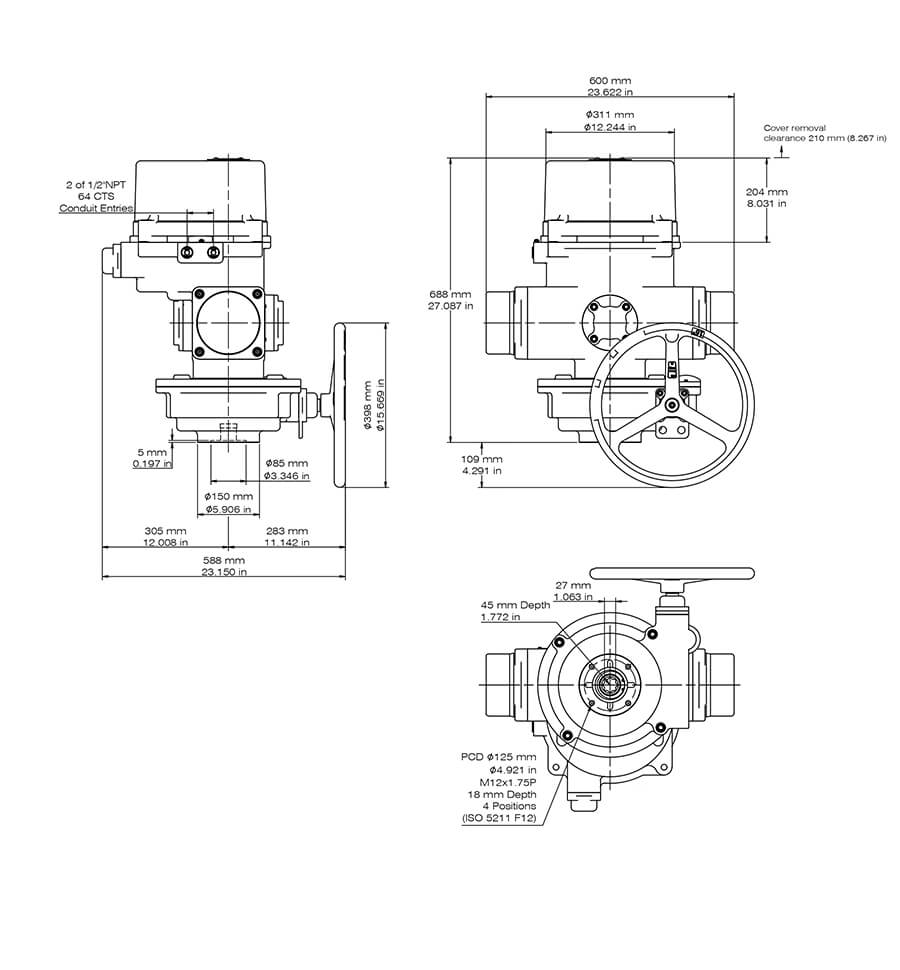
Max Torque:200 Nm/1770 in-lb
Standard Weight:96 kg/212 lb
With Manual Override Weight:135 kg/298 lb
Mounting Flange:ISO 5211 F12
  • Enclosure conforms to IP68 (7 m / 72 hrs) with explosion protection.
  • Controls: Modulating, On/Off-Floating and On/Off.
  • Clutch-less manual override (optional).
  • ISO 5211 mounting flange.
  • Built-in thermal protection prevents motor burnout.

Control:

  • Standard:On/Off
  • Options:Modulating; On/Off-Floating

Conduit entry:

  • Standard: 1/2 ” NPT
  • Optional: 3/4” NPT、M20、M25

Manual override (provided as an option) :

  • Non-clutch design requires no lever, clutch or brake for manual operation.
  • When the electric motor is operating, for personal safety the hand-wheel won’t rotate.

Fail-safe Operating direction :

  • The spring return direction cannot be changed. The spring return direction must be configured by the manufacturer, Please select the fail action according to the required application, i.e. based on clockwise or counterclockwise operation.
  • Standard: Fail clockwise spring return.
  • Optional: Fail counter-clockwise spring return.

Hazardous Area Enclosures

TS Taiwan Hazardous Areas Certification

MarkingAmbient Temperature
Ex db IIB T4 Gb - 30 °C ~ + 70 °C (- 22 °F ~ +158 °F)
Ex tb IIIC T130°C Db - 30 °C ~ + 70 °C (- 22 °F ~ +158 °F)


In accordance with IEC 60079-0, IEC 60079-1, IEC60079-31


CNEx China Hazardous Areas Certification

MarkingAmbient Temperature
Ex db IIB T4 Gb - 30 °C ~ + 70 °C (- 22 °F ~ +158 °F)
Ex tb IIIC T130 °C Db - 30 °C ~ + 70 °C (- 22 °F ~ +158 °F)


In accordance with GB/T3836.1, GB/T3836.2, GB/T3836.31


ATEX Hazardous Areas Certification for European Union

DirectiveMarkingAmbient Temperature
ATEX II 2 GD Ex db IIB T4 Gb -30°C ~ +70°C (-22°F ~ +158°F)
ATEX II 2 GD Ex tb IIIC T130°C Db -30°C ~ +70°C (-22°F ~ +158°F)


In accordance with IEC 60079-0, IEC 60079-1, IEC60079-31


IECEx Hazardous Areas Certifcation for International Market

MarkingAmbient Temperature
Ex db IIB T4 Gb -30°C ~ +70°C (-22°F ~ +158°F)
Ex tb IIIC T130°C Db -30°C ~ +70°C (-22°F ~ +158°F)


In accordance with IEC 60079-0, IEC 60079-1, IEC60079-31


CSA Hazardous Locations Certification for North America

Zone System

CodeClassPermitted ZoneType of ProtectionGroupTemperature ClassAmbient Temperature
AEx / Ex I 1 db IIB, IIA T4 -30°C ~ +70°C (-22°F ~ +158°F)
AEx / Ex II 21 tb IIIC, IIIB, IIIA T130°C -30°C ~ +70°C (-22°F ~ +158°F)


In accordance with CAN / CSA-C22.2 No. 0-20, CAN / CSA-C22.2 No. 60079-0, CAN / CSA-C22.2 No. 60079-1, CAN / CSA-C22.2 No. 60079-31, UL 60079-0, UL 60079-1, UL 60079-31


Division System

Hazard ClassPermitted DivisionGroupTemperature ClassAmbient Temperature
I 1 C, D T4 -30°C ~ +70°C (-22°F ~ +158°F)
II 1 E, F, G T130°C -30°C ~ +70°C (-22°F ~ +158°F)


In accordance with CAN / CSA-C22.2 No. 0-10, CSA C22.2 No. 30-M1986, CSA C22.2 No. 25-17, FM 3600, FM 3615, FM 3616


UKCA Hazardous Areas Certification

DirectiveMarkingAmbient Temperature
UKCA II 2 GD Ex db IIB T4 Gb -30°C ~ +70°C (-22°F ~ +158°F)
UKCA II 2 GD Ex tb IIIC T130°C Db -30°C ~ +70°C (-22°F ~ +158°F)


In accordance with EN 60079-0, EN 60079-1, EN 60079-31

  • CSA
  • TS
  • IECEx
  • ATEX
  • UKEX (UKCA Explosion-proof)
  • CNEX
  • SIL

proimages/product/SE/SE2000-2600EN.jpg

Space heater

A space heater can increase the internal temperature and keep dry inside actuator to avoid the freezing lubricant and moisture causing actuator failure under low temperature or high humidity. Heater is not recommended if the ambient temperature is above 35℃/95℉. However, when the temperature varies much from day to night or between summer and winter, heater and thermostat (25±5℃/77±9℉) are recommended.

proimages/options/加熱器.png

Heater thermostat

The option can switch the heater off when the temperature inside the actuator is over 25°C / 77°F.

Additional limit switches

The standard model equips with the 1st & 2nd switches for fully-open and fully-closed. The option consists of the 3rd & 4th auxiliary switches which provide dry contacts for fully-open and fully-closed.

Current position transmitter

The option can provide 4-20mA output signal and suit for two-position control units.

The picture is based on AC 110/220V

Floating controller

The actuator can be controlled by external controller to open, close and stop at any position between 0 and 90 degree and will fail clockwise to the end position on loss of power. (Based on the standard running direction that the actuator fails clockwise on loss of power.)

The picture is based on AC 110/220V

Modulating controller

Actuator can be operated according to input signal and provide the output signal for feedback.

Input signal:4-20mA,1-5V,2-10V

Output signal:4-20mA,2-10V

The picture is based on AC 110/220V

Fail-safe Operating direction

Standard : Fail clockwise on loss of power.

Optional : Fail counter-clockwise on loss of power.

Manual override

Potentiometer unit (1K or 5K)

The option can be ordered with two-position control actuators. The selection has 1k or 5k ohm resistance values. It provides feedback signal for position indicator.

❶ Torque (kgf-cm)

  • 500、1300、2000、2600

❷ Voltage

  • D24– 24V DC; 24 – 24V AC
  • 110 – 110V AC; 120 – 120V AC
  • 220 – 220V AC; 240 – 240V AC
  • 380 – 380V AC; 440 – 440V AC

❸ Direction of Rotation

  • CW – Fail clockwise spring return.
  • CCW –Fail counter-clockwise spring return.

❹ Control Method

  • T – On/Off
  • M – Modulating
  • F – On/Off-Floating

❺ Manual Override

  • Y – With Manual Override
  • N – Without Manual Override
您有最新消息