Product Name : LE-250
Description

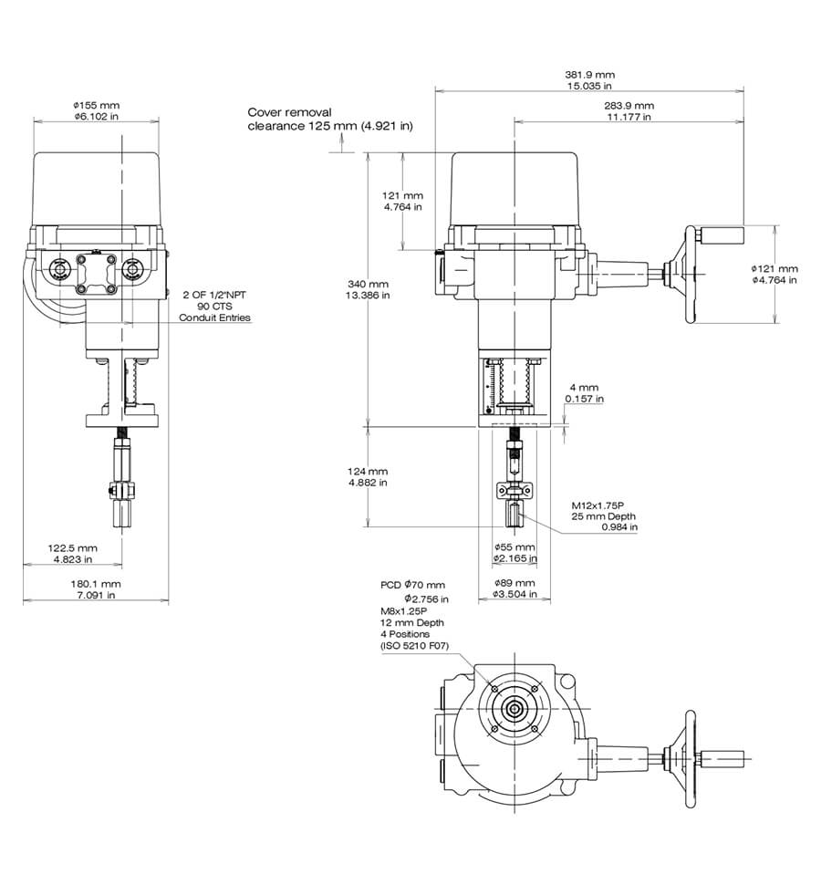
LE-250 explosion-proof linear electric actuator is designed to provide thrust force 250 kg-f (2.45 kN) and the maximum adjustable stroke length is 50mm / 2 inch. It is standardized with modulating control suitable for globe valves, gate valves and linear travel devices to be applied to HVAC and industrial processes, especially for working at high temperature environment.

LE series explosion-proof linear electric actuators are certified to II 2 GD Ex db IIB T4 Gb, Ex tb IIIC T130°C Db and suitable for operation in hazardous locations Zones 1, 2, 21, 22 including gases, vapours, mists and dusts in accordance with ATEX 2014/34/EU, IEC 60079-0, 1, 31, CAN/CSA-C22.2 No. 60079-0, 1, 31, ANSI/UL 60079-0, 1, 31.

  • Enclosure conforms to IP68 (7m / 72 hrs) with explosion protection.
  • Self-locking drive system.
  • DC motor equipped.
  • External stem position indicator.
  • Low-power consumption.
  • Manual operation can be applied in case of power outage.
  • Built-in thermal protection prevents motor burnout.

Control:

  • Standard:Modulating
  • Options:Floating

Conduit entrance :

  • Standard: 1/2 ” NPT
  • Optional: 3/4” NPT、M20、M25

Hazardous Area Enclosures

TS Taiwan Hazardous Areas Certification

MarkingAmbient Temperature
Ex db IIB T4 Gb -30°C to +70°C (-22°F to +158°F)
Ex tb IIIC T130°C Db -30°C to +70°C (-22°F to +158°F)


In accordance with IEC 60079-0, IEC 60079-1, IEC60079-31


CNEx China Hazardous Areas Certification

MarkingAmbient Temperature
Ex db IIB T4 Gb -30°C to +70°C (-22°F to +158°F)
Ex tb IIIC T130 °C Db -30°C to +70°C (-22°F to +158°F)


In accordance with GB/T3836.1, GB/T3836.2, GB/T3836.31


ATEX Hazardous Areas Certification for European Union

DirectiveMarkingAmbient Temperature
ATEX II 2 GD Ex db IIB T4 Gb -30°C to +70°C (-22°F to +158°F)
ATEX II 2 GD Ex tb IIIC T130°C Db -30°C to +70°C (-22°F to +158°F)


In accordance with IEC 60079-0, IEC 60079-1, IEC60079-31


IECEx Hazardous Areas Certifcation for International Market

MarkingAmbient Temperature
Ex db IIB T4 Gb -30°C to +70°C (-22°F to +158°F)
Ex tb IIIC T130°C Db -30°C to +70°C (-22°F to +158°F)


In accordance with IEC 60079-0, IEC 60079-1, IEC60079-31


CSA Hazardous Locations Certification for North America

Zone System

CodeClassPermitted ZoneType of ProtectionGroupTemperature ClassAmbient Temperature
AEx / Ex I 1 db IIB, IIA T4 -30°C ~ +70°C (-22°F ~ +158°F)
AEx / Ex II 21 tb IIIC, IIIB, IIIA T130°C -30°C ~ +70°C (-22°F ~ +158°F)


In accordance with CAN / CSA-C22.2 No. 0-20, CAN / CSA-C22.2 No. 60079-0, CAN / CSA-C22.2 No. 60079-1, CAN / CSA-C22.2 No. 60079-31, UL 60079-0, UL 60079-1, UL 60079-31


UKCA Hazardous Areas Certification

DirectiveMarkingAmbient Temperature
UKCA II 2 GD Ex db IIB T4 Gb -30°C to +70°C (-22°F to +158°F)
UKCA II 2 GD Ex tb IIIC T130°C Db -30°C to +70°C (-22°F to +158°F)


In accordance with EN 60079-0, EN 60079-1, EN 60079-31

  • CSA - Zone system 
  • TS
  • IECEx
  • ATEX
  • CNEX
  • UKEX (UKCA Explosion-proof)

proimages/product/LE/LE0205S01B.jpg

Space heater

A space heater can increase the internal temperature and keep dry inside actuator to avoid the freezing lubricant and moisture causing actuator failure under low temperature or high humidity. Heater is not recommended if the ambient temperature is above 35 degrees℃ (95 degrees℉). However, when the temperature varies much from day to night or between summer and winter, heater and thermostat (25±5 degrees℃ / 77±41 degrees℉) are recommended.

proimages/options/加熱器.png

Heater thermostat

The option can switch the heater off when the temperature inside the actuator is over 25°C / 77°F.

Floating controller

An external switch is applied to provide either two-position or floating control to the actuator.

Floating(LE250~LE500)
The picture is based on AC 110/220V.

Floating controller

An external switch is applied to provide either two-position or floating control to the actuator.

Floating(LE1000~LE2000)
The picture is based on AC 110/220V.

❶ Thrust (kg)

  • 250, 500, 1000, 2000

❷ Voltage

  • D24 – 24V DC; 24 – 24V AC
  • 110 – 110V AC; 120 –120V AC
  • 220 – 220V AC; 240 – 240V AC

❸ Control Method

  • M –Modulating
  • F –On/Off-Floating
您有最新消息