CM-100 Part Turn Electric Valve Actuator
Enclosure
- Base:Aluminum alloy, polyester powder coated.
- Cover:ABS plastic (standard), polyester powder coated aluminum alloy (option)
Motor
- Insulation class B
- Built-in thermal protector prevents motor burn out.
AC motor:115±5℃ (239±9℉)
DC motor:90±5℃ (194±9℉)
Duty Cycle
- 30% duty cycle.
Position Indication
- Mechanical position indicator on the topr of actuator cover
Working Conditions
- Ambient temperature:
ABS Plastic cover:-10℃ to +65℃
Aluminum cover:-30℃ to +65℃ (-22℉ to +149℉) - Relative humidity:30% to 95%
Conduit Entry
- Standard:1/2" PS
- Option:1/2" NPT, 3/4" NPT, M20
Supply Voltages
- 24V AC/DC
- 110/220V AC 1-Phase
- 220/380/440V AC 3-Phase
Manual Operation Socket
- Adaptive with manual override switch (option) to allow manual operation of actuator by lever wrench
Manual Override Switch (option)
- Used to switch Auto mode to Manual mode to allow manual operation by lever wrench
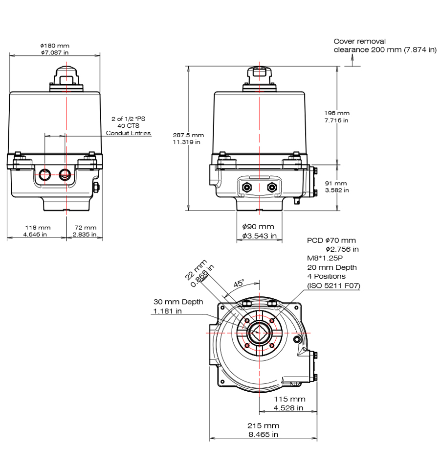
| Model | Max. Torque | Weight | Mounting Flange (ISO 5211) | Output drive | Depth of output drive | ||||
|---|---|---|---|---|---|---|---|---|---|
| Nm | in-lb | Kg | lb | mm | inch | mm | inch | ||
| CM-100 | 100 | 885 | 7.6 | 17 | F07 | 22 | 0.866 | 30 | 1.18 |
| CM-200 | 200 | 1771 | 7.6 | 17 | F07 | 22 | 0.866 | 30 | 1.18 |
| CM-300 | 300 | 2656 | 14 | 31 | F10 | 36 | 1.417 | 40 | 1.18 |
| CM-400 | 400 | 3542 | 14 | 31 | F10 | 36 | 1.417 | 40 | 1.58 |
| CM-500 | 500 | 4427 | 14 | 31 | F10 | 36 | 1.417 | 40 | 1.58 |
| CM-600 | 600 | 5313 | 14 | 31 | F10 | 36 | 1.417 | 40 | 1.58 |
- CE

Space Heater
A space heater can increase the internal temperature and keep dry inside actuator to avoid the freezing lubricant and moisture causing actuator failure under low temperature or high humidity. Heater is not recommended if the ambient temperature is above 35℃ (95℉). However, when the temperature varies much from day to night or between summer and winter, heater and thermostat are recommended.

Heater thermostat
The option can switch the heater off when the temperature inside the actuator is over 25±5℃ (77±9℉).

Additional limit switches
The standard model equips with the 1st & 2nd switches for fully-open and fully-closed. The option consists of the 3rd & 4th auxiliary switches which provide dry contacts for fully-open and fully-closed.

Current Position Transmitter
The option can provide 4-20mA output signal for position indicator and etc. It can be ordered with ON-OFF actuators.
The picture is based on AC 110/220V
Modulating Control (including potentiometer)
Actuator can be operated according to input signal and provide the output signal for indicator.
Input signal : 4-20mA, 1-5V, 2-10V.
Output signal : 4-20mA, 2-10V.
The picture is based on AC 110/220V
Potentiometer
The option can be ordered with On/Off actuators.
The selection has 1k or 5k ohm resistance values.
It provides feedback signal for position indicator.

Junction box
The option can provides user to connect all wires without removing actuator cover.

Handwheel







