OM-3 quarter turn electric actuator
Enclosure
- Polyester powder-coated aluminum alloy.
- NEMA type 4X, 5, IP66 & IP67, intended for outdoor use.
- ISO 12944-2 corrosivity category C3. C4/C5 is optional.
Motor
- Insulation class F.
- Built-in thermal protector prevents the motor from overheating and burnout.
Thermal trip temperature:
AC motor: 125±5℃ (257±9℉)
DC motor: 90±5℃ (194±9℉)
Duty Cycle
- Standard: 30% duty cycle
- Optional: 75% duty cycle
Position Indication
- A mechanical position indicator is located on the top of the actuator.
Manual Override
- Non-clutch design allows for manual operation without needing a lever, clutch, or brake when the power goes out.
- When electric motor is operating, the hand-wheel will not rotate to ensure personal safety.
Gear Train
- High-alloy steel planetary gears are used, and a self-locking function is provided.
- The gears are lubricated for life with high-temperature grease.
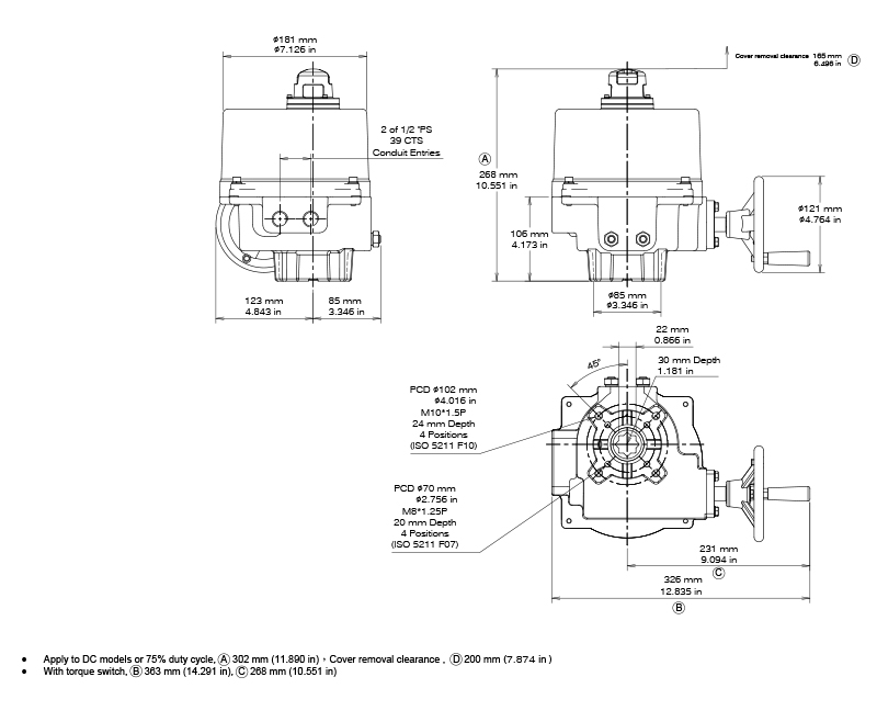
Conduit Entry
- Standard: 1/2” PS
- Optional: 3/4” PF, 3/4” NPT, 1/2” NPT, M20
Voltages
- 12V DC
- 24V AC/DC multi-voltage
- 110-120V AC
- 220-240V AC-1 Phase
- 220-240V AC-3 Phase (Modulating control units require the optional Local Control Unit)
- 380-415V AC-3 Phase (Modulating control units require the optional Local Control Unit)
- 440-480V AC-3 Phase (Modulating control units require the optional Local Control Unit)
Travel Angle
- Standard: 0° to 90°
- Optional: up to 270°
Operating Condition
- Ambient temperature: -30℃ to +65℃ (-22℉ to +149℉)
- Relative humidity: 30% to 95%
| Model | Torque | |
|---|---|---|
| Nm | in-lb | |
| BM-2 | 120 | 1065 |
| OM-A | 50 | 445 |
| OM-AM | 50 | 445 |
| OM-1 | 35 | 310 |
| OM-F | 65 | 575 |
| OM-J | 80 | 708 |
| OM-2 | 90 | 800 |
| OM-G | 120 | 1065 |
| OM-3 | 150 | 1330 |
| OM-H | 300 | 2655 |
| OM-4 | 400 | 3540 |
| OM-5 | 500 | 4430 |
| OM-6 | 650 | 5755 |
| OM-7 | 1000 | 8855 |
| OM-8 | 1500 | 13280 |
| OM-9 | 2000 | 17710 |
| OM-10 | 2500 | 22140 |
| OM-11 | 3000 | 26565 |
| OM-12 | 3500 | 31000 |
| OM-13 | 4500 | 40000 |
| Weight | Flange Type | Output Drive | Depth of Output Drive | Manual Override | |||
|---|---|---|---|---|---|---|---|
| kg | lb | ISO 5211 | mm | inch | mm | inch | |
| 5.5 | 12.1 | F07 | 22 | 0.886 | 35 | 1.377 | N/A |
| 3 | 6.6 | F05/F07 | 17 | 0.669 | 20 | 0.787 | N/A |
| 3 | 6.6 | F05/F07 | 17 | 0.669 | 20 | 0.787 | Lever |
| 2 | 4.4 | F03/F05 | 14 | 0.551 | 17 | 0.669 | Lever |
| 11 | 24.3 | F07/F10 | 22 | 0.886 | 30 | 1.181 | Hand-Wheel |
| 3 | 6.6 | F05/F07 | 17 | 0.669 | 20 | 0.787 | Lever |
| 10.5 | 23.1 | F07/F10 | 22 | 0.886 | 30 | 1.181 | Hand-Wheel |
| 11 | 24.3 | F07/F10 | 22 | 0.886 | 30 | 1.181 | Hand-Wheel |
| 10.5 | 23.1 | F07/F10 | 22 | 0.886 | 30 | 1.181 | Hand-Wheel |
| 15 | 33.1 | F07/F10 | 22 | 0.886 | 30 | 1.181 | Hand-Wheel |
| 20 | 44.1 | F10/F12 | 36 | 1.417 | 40 | 1.574 | Hand-Wheel |
| 20 | 44.1 | F10/F12 | 36 | 1.417 | 40 | 1.574 | Hand-Wheel |
| 20 | 44.1 | F10/F12 | 36 | 1.417 | 40 | 1.574 | Hand-Wheel |
| 36 | 79.4 | F12 or F14 | 35 | 1.377 | 60 | 2.362 | Hand-Wheel |
| 36 | 79.4 | F12 or F14 | 35 | 1.377 | 60 | 2.362 | Hand-Wheel |
| 68.5 | 151 | F14 or F16 | 75 | 2.952 | 100 | 3.937 | Hand-Wheel |
| 68.5 | 151 | F14 or F16 | 75 | 2.952 | 100 | 3.937 | Hand-Wheel |
| 68.5 | 151 | F14 or F16 | 75 | 2.952 | 100 | 3.937 | Hand-Wheel |
| 68.5 | 151 | F14 or F16 | 75 | 2.952 | 100 | 3.937 | Hand-Wheel |
| 102.5 | 226 | F16/F25 | 72 | 2.834 | 110 | 4.33 | Hand-Wheel |
- CE
- CSA
- UKCA

Anti-condensation heater
A space heater can increase the internal temperature and keep dry inside actuator to avoid the freezing lubricant and moisture causing actuator failure under low temperature or high humidity. Heater is not recommended if the ambient temperature is higher than 35℃ (95℉). However, when the temperature varies much from day to night or between summer and winter, heater and thermostat are recommended.

Heater thermostat
The option can switch the heater off when the temperature inside the actuator is over 25±5℃ (77±9℉).

Auxiliary limit switches
The standard model equips with the 1st & 2nd switches for fully-open and fully-closed. The option consists of the 3rd & 4th auxiliary switches which provide dry contacts for fully-open and fully-closed.
OM-2~OM-13,OM-F,OM-G
Analog output
The option can provide 4-20mA output signal for position indicator and etc.
OM-2~OM-13,OM-F,OM-G The picture is based on AC 110/220V
Modulating control
Actuator can be operated according to input signal and provide the output signal for indicator. Input signal : 4-20mA, 1-5V, 2-10V. Output signal : 4-20mA, 2-10V.
OM-2~OM-13,OM-F,OM-G
The pictures are based on AC 110/220V
Extended duty cycle kit (Including motor, IEC standard)
The option is suggested for higher starting frequency.
OM-2~OM-8:75%duty cycle
The picture is based on AC 110/220V
Potentiometer
The option can be ordered with On/Off actuators.
The selection has 1k or 5k ohm resistance values.
It provides feedback signal for position indicator.
OM-2~OM-13(1KΩ or 5KΩ)
Local control unit
The option can be used in filed control. It provides Local/Remote selection switches and Open/Close selection switches. It is available for OM-2 to OM-13, OM-F, OM-G, OM-H and must be ordered with actuators.

Torque switches
The option can provide over-load protection. It is available for OM-2 to OM-13,OM-F,OM-G actuators, and must be ordered with actuators.

Time Delay Controller
The option can adjust the actuator speed (running time) from standard to 30s, 60s and so on (Max. 200s) according to user’s need. It is available for OM-2 to OM-13, AC 220V,1-PH and OM-2 to OM-8, 110VAC actuators.

Chain wheel drive
The option can convert the hand-wheel override to a chain driven override in application of actuator mounted at a distance above the floor. It is available for OM-2 to OM-13, OM-F, OM-G, OM-H.

Junction box
the option can be connected all wires by the user without removing actuator cover and it is available for OM-2 to OM-13,OM-F,OM-G, OM-H

Isolation relay module
when a set of control wire or switch needs to control two or more actuators at the same time, the module is recommended.
OM-2~OM-13,OM-H
Communication Protocols
Modbus RTU RS485
Thermal insulation blanket
The combination of quarter-turn electric actuators with a Thermal Insulation Blanket is designed to remove and re-install easily. It makes the actuator run smoothly even in high temperature environment.
Working conditions:
※ Withstand two hours at 250°C (482°F).
※ Withstand one hour at 300°C (572°F).
Available for OM-A, OM-AM, OM-1 to OM-8 on-off/floating units.
Stainless steel enclosure
Available for IP67 (OM-1)、IP68 (OM-2~OM-6、OM-F & OM-G).
Please contact your salesperson if outline drawings of SS316 material are required.

Water-proof rating:
IP 68 (7m, 72 hrs).
In accordance with IEC 60529.




