產品名稱 : SE-2000
產品描述
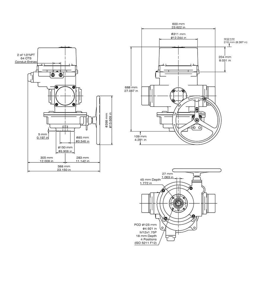
最大扭力:200 Nm/1770 in-lb
標凖型重量:96 kg/212 lb
附手動裝置重量:135 kg/298 lb
法蘭孔距:ISO 5211 F12
  • IP68(7公尺, 72小時)
  • 控制模式:開關型、比例式型、三點浮動型
  • 手動裝置 (選配)
  • ISO 5211 法蘭安裝介面
  • 馬達內建溫控保護以防止馬達過熱燒毀。

控制模式:

  • 標準:開關型
  • 選配:比例式、三點浮動型

出線孔:

  • 標準: 1/2 ” NPT
  • 選配: 3/4” NPT、M20、M25

手動裝置(選配):

  • 不需離合器即可手動與電動切換。
  • 當驅動器運轉時,不會因為人為誤動手輪而影響正常運轉。

彈簧復歸方向:

  • 彈簧復位方向需於廠內進行組裝,無法於客戶端修改,請於下單時依應用需求選擇順時針或逆時針運轉之驅動器。
  • 標準:電源失敗時,驅動器順時針轉。
  • 選配:電源失敗時,驅動器逆時針轉。

危險場所產品認證

台灣防爆認證-TS

防爆標誌環境溫度
Ex db IIB T4 Gb -30°C ~ +70°C (-22°F ~ +158°F)
Ex tb IIIC T130°C Db -30°C ~ +70°C (-22°F ~ +158°F)


引用標準: IEC 60079-0, IEC 60079-1, IEC60079-31


中國防爆認證-CNEx 

防爆標誌環境溫度
Ex db IIB T4 Gb -30°C ~ +70°C (-22°F ~ +158°F)
Ex tb IIIC T130°C Db -30°C ~ +70°C (-22°F ~ +158°F)


引用標準: GB/T3836.1, GB/T3836.2, GB/T3836.31


歐盟防爆認證-ATEX

指令防爆標誌環境溫度
ATEX II 2 GD Ex db IIB T4 Gb -30°C ~ +70°C (-22°F ~ +158°F)
ATEX II 2 GD Ex tb IIIC T130°C Db -30°C ~ +70°C (-22°F ~ +158°F)


引用標準:IEC 60079-0, IEC 60079-1, IEC60079-31


國際防爆認證-IECEx

防爆標誌環境溫度
Ex db IIB T4 Gb -30°C ~ +70°C (-22°F ~ +158°F)
Ex tb IIIC T130°C Db -30°C ~ +70°C (-22°F ~ +158°F)


引用標準:IEC 60079-0, IEC 60079-1, IEC60079-31


北美防爆認證-CSA

Zone 系統

防爆代號防爆等級危險區域 (Zone)防護型式設備組別溫度組別環境溫度
AEx / Ex I 1 db IIA, IIB T4 -30°C ~ +70°C (-22°F ~ +158°F)
AEx / Ex II 21 tb IIIA, IIIB, IIIC T130°C -30°C ~ +70°C (-22°F ~ +158°F)


引用標準:CAN / CSA-C22.2 No. 0:20, CAN / CSA-C22.2 No. 60079-0, CAN / CSA-C22.2 No. 60079-1,CAN / CSA-C22.2 No. 60079-31, UL 60079-0, UL 60079-1, UL 60079-31


Division 系統

危險等級危險區域 (Division)設備組別溫度組別環境溫度
I 1 C, D T4 -30°C ~ +70°C (-22°F ~ +158°F)
II 1 E, F, G T130°C -30°C ~ +70°C (-22°F ~ +158°F)


引用標準: CAN / CSA-C22.2 No. 0:20, CSA C22.2 No. 30-M1986, CSA C22.2 No. 25-17, FM 3600,FM 3615, FM 3616


英國防爆認證-UKEX

指令防爆標誌環境溫度
UKCA II 2 GD Ex db IIB T4 Gb -30°C ~ +70°C (-22°F ~ +158°F)
UKCA II 2 GD Ex tb IIIC T130°C Db -30°C ~ +70°C (-22°F ~ +158°F)


引用標準:EN 60079-0, EN 60079-1, EN 60079-31

  • CSA 北美危險場所產品認證
  • TS 台灣防爆認證
  • IECEx 國際防爆認證
  • ATEX 歐盟防爆認證
  • CNEX / CCC 中國防爆認證
  • UKEX 英國防爆認證
  • SIL 安全完整性認證

proimages/product/SE/SE2000-2600TW.jpg

加熱器

加熱器可使驅動器內部溫度提升並保持乾燥,以防止低溫或高濕度下,潤滑油結凍或濕氣造成故障。如環境溫度高於3 5℃/95℉以上則不建議加裝。但日夜溫差與夏冬季溫差大時,建議在加熱器前端加裝一只溫控器(25±5℃/77±9℉)使加熱器發揮應有功能。

proimages/options/加熱器.png

加熱器溫控開關

當驅動器內部的溫度超過25℃/77℉,加熱器溫控開關可以切斷加熱迴路以停止加熱。

微動開關-乾接點

標準型產品配有全開及全關控制微動開關,可加裝兩只微動開關,作為全開及全關乾接點。

輸出訊號板

此選配可以提供4-20mA輸出信號給開度指示器,適用於開關型驅動器。

圖片是AC 110/220V產品用

三點浮動控制

利用外部控制器可以讓驅動器於0~90度間任意開、關或停止;外部電力停止時,不管驅動器在任何位置,都可以透過彈簧讓驅動器順時鐘運轉至極限位置後停止。(此運轉方向是驅動器電源失敗時順時針運轉之產品)

圖片是AC 110/220V產品用

比例式控制

內置式比例板可藉由輸入訊號控制驅動器之開度,同時搭配電位計作訊號輸出,讓控制人員掌握閥門之開度狀況。

輸入訊號:4-20mA,1-5V,2-10V

輸出訊號:4-20mA,2-10V

圖片是AC 110/220V產品用

運轉方向

標準:電源失敗時,驅動器正轉。

選配:電源失敗時,驅動器逆轉。

手動裝置

電位計-可變電阻

只有開關型驅動器可以安裝此選項以提供回朔訊號給開度指示,可選擇1K或5K歐姆的電阻值。

❶ 扭力

  • 500、1300、2000、2600

❷ 電壓

  • D24– 24V DC; 24 – 24V AC
  • 110 – 110V AC; 120 – 120V AC
  • 220 – 220V AC; 240 – 240V AC
  • 380 – 380V AC; 440 – 440V AC

❸ 彈簧復歸方向

  • CW –電源失敗時,驅動器順時針轉。
  • CCW –電源失敗時,驅動器逆時針轉。

❹ 控制模式

  • T –開關型控制
  • M –比例式控制
  • F –三點浮動控制

❺ 手動裝置

  • Y–有手動裝置
  • N–無手動裝置
您有最新消息