OM-G sun yeh electric control valve actuators
Enclosure
- Polyester powder-coated aluminum alloy
- NEMA type 4X, 5, IP66 & IP67, intended for outdoor use
- ISO 12944-2 corrosivity category C3. C4/C5 is optional.
Motor
- Insulation class F
- Built-in thermal protector prevents the motor from overheating and burnout.
Thermal trip temperature:
AC motor: 125±5℃ (257±9℉)
DC motor: 90±5℃ (194±9℉)
Duty Cycle
- 30% duty cycle
- The extended duty option is not applicable.
Position Indication
- A mechanical position indicator is located on the top of the actuator.
Manual Override
- The non-clutch design allows for manual operation without needing a lever, clutch, or brake when the power goes out.
- When the electric motor is operating, the hand-wheel will not rotate to ensure personal safety.
Gear Train
- High-alloy steel planetary gears are used, and a self-locking function is provided.
- The gears are lubricated for life with high-temperature grease.
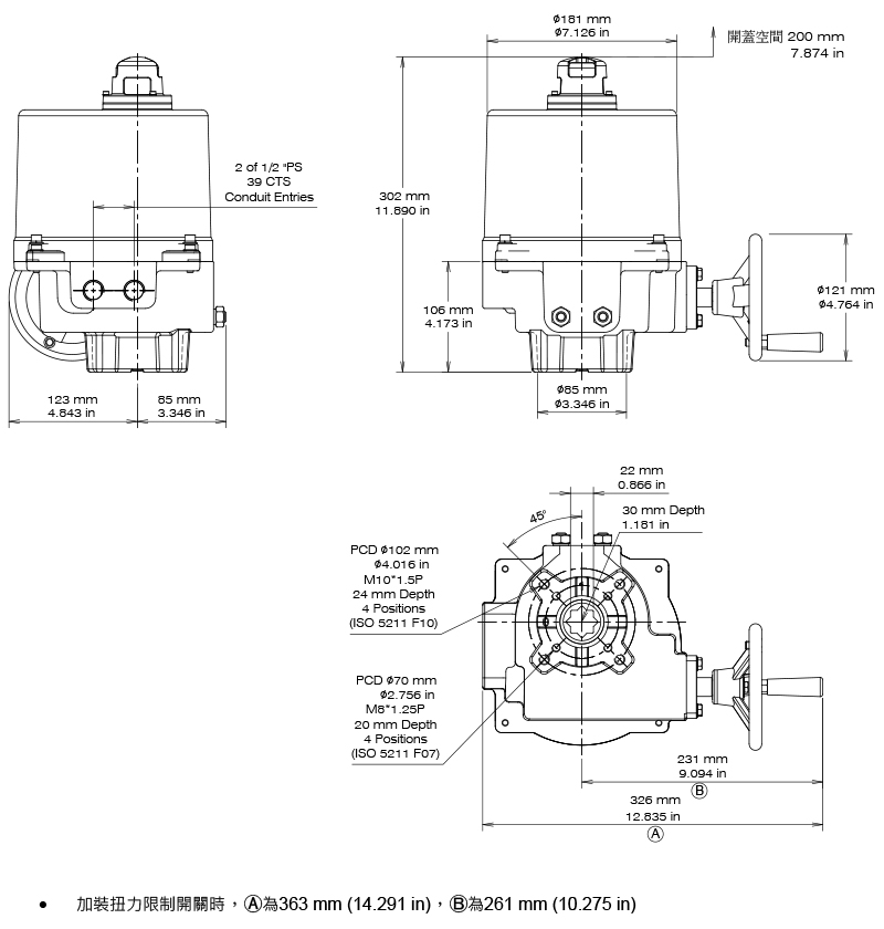
Conduit Entry
- Standard: 1/2” PS
- Optional: 3/4” PF, 3/4” NPT, 1/2” NPT, M20
Voltages
- 24V AC/DC multi-voltage
- 110-120V AC
- 220-240V AC-1 Phase
- 220-240V AC-3 Phase
- 380-415V AC-3 Phase
- 440-480V AC-3 Phase
Travel Angle
- Standard: 0°-90°
Operating Condition
- Ambient temperature: -30℃ to +65℃ (-22℉ to +149℉)
- Relative humidity: 30% to 95%
| Model | Torque | |
|---|---|---|
| Nm | in-lb | |
| BM-2 | 120 | 1065 |
| OM-A | 50 | 445 |
| OM-AM | 50 | 445 |
| OM-1 | 35 | 310 |
| OM-F | 65 | 575 |
| OM-J | 80 | 708 |
| OM-2 | 90 | 800 |
| OM-G | 120 | 1065 |
| OM-3 | 150 | 1330 |
| OM-H | 300 | 2655 |
| OM-4 | 400 | 3540 |
| OM-5 | 500 | 4430 |
| OM-6 | 650 | 5755 |
| OM-7 | 1000 | 8855 |
| OM-8 | 1500 | 13280 |
| OM-9 | 2000 | 17710 |
| OM-10 | 2500 | 22140 |
| OM-11 | 3000 | 26565 |
| OM-12 | 3500 | 31000 |
| OM-13 | 4500 | 40000 |
| Weight | Flange Type | Output Drive | Output Drive Depth | Manual Override | |||
|---|---|---|---|---|---|---|---|
| kg | lb | ISO 5211 | mm | inch | mm | inch | |
| 5.5 | 12.1 | F07 | 22 | 0.886 | 35 | 1.377 | N/A |
| 3 | 6.6 | F05/F07 | 17 | 0.669 | 20 | 0.787 | N/A |
| 3 | 6.6 | F05/F07 | 17 | 0.669 | 20 | 0.787 | Lever |
| 2 | 4.4 | F03/F05 | 14 | 0.551 | 17 | 0.669 | Lever |
| 11 | 24.3 | F07/F10 | 22 | 0.886 | 30 | 1.181 | Hand-Wheel |
| 3 | 6.6 | F05/F07 | 17 | 0.669 | 20 | 0.787 | Lever |
| 10.5 | 23.1 | F07/F10 | 22 | 0.886 | 30 | 1.181 | Hand-Wheel |
| 11 | 24.3 | F07/F10 | 22 | 0.886 | 30 | 1.181 | Hand-Wheel |
| 10.5 | 23.1 | F07/F10 | 22 | 0.886 | 30 | 1.181 | Hand-Wheel |
| 15 | 33.1 | F07/F10 | 22 | 0.886 | 30 | 1.181 | Hand-Wheel |
| 20 | 44.1 | F10/F12 | 36 | 1.417 | 40 | 1.574 | Hand-Wheel |
| 20 | 44.1 | F10/F12 | 36 | 1.417 | 40 | 1.574 | Hand-Wheel |
| 20 | 44.1 | F10/F12 | 36 | 1.417 | 40 | 1.574 | Hand-Wheel |
| 36 | 79.4 | F12 or F14 | 35 | 1.377 | 60 | 2.362 | Hand-Wheel |
| 36 | 79.4 | F12 or F14 | 35 | 1.377 | 60 | 2.362 | Hand-Wheel |
| 68.5 | 151 | F14 or F16 | 75 | 2.952 | 100 | 3.937 | Hand-Wheel |
| 68.5 | 151 | F14 or F16 | 75 | 2.952 | 100 | 3.937 | Hand-Wheel |
| 68.5 | 151 | F14 or F16 | 75 | 2.952 | 100 | 3.937 | Hand-Wheel |
| 68.5 | 151 | F14 or F16 | 75 | 2.952 | 100 | 3.937 | Hand-Wheel |
| 102.5 | 226 | F16/F25 | 72 | 2.834 | 110 | 4.33 | Hand-Wheel |
- CE
- CSA
- UKCA

Anti-condensation heater
A space heater can increase the internal temperature and keep dry inside actuator to avoid the freezing lubricant and moisture causing actuator failure under low temperature or high humidity. Heater is not recommended if the ambient temperature is above 35℃/95℉. However, when the temperature varies much from day to night or between summer and winter, heater and thermostat (25±5℃/77±9℉) are recommended.

Heater thermostat
The option can switch the heater off when the temperature inside the actuator is over 25℃/77℉.

Auxiliary limit switches
The standard model equips with the 1st & 2nd switches for fully-open and fully-closed. The option consists of the 3rd & 4th auxiliary switches which provide dry contacts for fully-open and fully-closed.
OM-2~OM-13,OM-F,OM-G
Analog output
The option can provide 4-20mA output signal for position indicator and etc.
OM-2~OM-13,OM-F,OM-G The picture is based on AC 110/220V
The picture is based on DC 24V
Modulating control
Actuator can be operated according to input signal and provide the output signal for indicator. Input signal : 4-20mA, 1-5V, 2-10V. Output signal : 4-20mA, 2-10V.
OM-2~OM-13,OM-F,OM-G
The pictures are based on AC 110/220V
Potentiometer
The option can be ordered with On/Off actuators.
The selection has 1k or 5k ohm resistance values.
It provides feedback signal for position indicator.
OM-2~OM-13(1KΩ or 5KΩ)
Local control unit
The option can be used in filed control. It provides Local/Remote selection switches and Open/Close selection switches. It is available for OM-2 to OM-13,OM-F,OM-G actuators and must be ordered with actuator.

Torque switches
The option can provide over-load protection. It is available for OM-2 to OM-13,OM-F,OM-G actuators, and must be ordered with actuator.

Chain wheel drive
The option can convert the hand-wheel override to a chain driven override in application of actuator mounted at a distance above the floor. It is available for OM-2 to OM-13,OM-F,OM-G actuators.

Junction box
the option can be connected all wires by the user without removing actuator cover and it is available for OM-2 to OM-13,OM-F,OM-G actuators.

Isolation relay module
when a set of control wire or switch needs to control two or more actuators at the same time.
OM-2~OM-13,OM-H
Communication protocols
Modbus RTU RS485
Available for:
※OM-2 to 6, F, G, H, 110-120VAC/1-PH, 30% duty cycle
※OM-2 to 8, F, G, H, 220-240VAC/1-PH, 30% duty cycle
※OM-2 to 8, 110-240VAC/1-PH, 75% duty cycle
※OM-9 to 13, 110-240VAC/1-PH, 50% duty cycle
Stainless steel enclosure
Available for IP67 (OM-1)、IP68 (OM-2~OM-6、OM-F & OM-G)
Please contact your salesperson if outline drawings of SS316 material are required.

Water-proof rating
IP 68 (7m, 72 hrs).
In accordance with IEC 60529




