- Home
- Electric Actuators
- Explosion-proof Electric Actuators
- Explosion-Proof Quarter-Turn Electric Actuators / OME Series
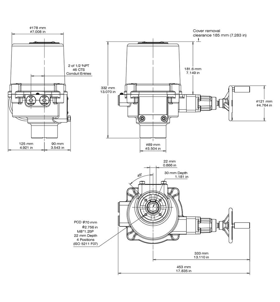
- OME-3
OME-3
Enclosure
- Polyester powder coated aluminum alloy.
- NEMA type 4X, IP66, IP68 (7m, 72 hrs)
Motor
- Built-in thermal protector prevents motor from overheating and burnout.
Duty Cycle
- Standard:30% duty cycle
- Optional:75% duty cycle
Control
- Standard : On-Off/Floating
- Optional : Modulating
Operation Condition
- Ambient temperature:-30℃ to +70℃ (-22℉ to +158℉)
- Relative humidity:30% to 95%
Position Indication
- Flatted mechanical position indicator on the top of the actuator.
Manual Override
- Clutch-less design allows for manual operation without any lever, clutch or brake when the power goes out.
- When electric motor is operating, the hand-wheel will not rotate to ensure personal safety.
Gear Train
- High-alloy steel planetary gears are used, and a self-locking function is provided.
- The gears are lubricated for life with high-temperature grease.
- Torque switches are provided as the standard for life with high-temperature grease.
Conduit Entry
- Standard : 1/2” NPT
- Option : 3/4” NPT, M20, M25
Voltages
- AC/DC 24V
- AC 110-120
- AC 220-240/1-Phase
Hazardous Area Enclosures
TS Taiwan Hazardous Areas Certification
| Marking | Ambient Temperature | |
|---|---|---|
| Ex db IIB T4 Gb | - 30 °C ~ + 70 °C (- 22 °F ~ +158 °F) | |
| Ex tb IIIC T130°C Db | - 30 °C ~ + 70 °C (- 22 °F ~ +158 °F) | |
In accordance with IEC 60079-0, IEC 60079-1, IEC60079-31
CNEx China Hazardous Areas Certification
| Marking | Ambient Temperature | |
|---|---|---|
| Ex db IIB T4 Gb | - 30 °C ~ + 70 °C (- 22 °F ~ +158 °F) | |
| Ex tb IIIC T130 °C Db | - 30 °C ~ + 70 °C (- 22 °F ~ +158 °F) | |
In accordance with GB/T3836.1, GB/T3836.2, GB/T3836.31
ATEX Hazardous Areas Certification for European Union
| Directive | Marking | Ambient Temperature |
|---|---|---|
| ATEX II 2GD | Ex db IIB T4 Gb | -30°C ~ +70°C (-22°F ~ +158°F) |
| ATEX II 2GD | Ex tb IIIC T130°C Db | -30°C ~ +70°C (-22°F ~ +158°F) |
In accordance with IEC 60079-0, IEC 60079-1, IEC60079-31
IECEx Hazardous Areas Certifcation for International Market
| Marking | Ambient Temperature | |
|---|---|---|
| Ex db IIB T4 Gb | -30°C ~ +70°C (-22°F ~ +158°F) | |
| Ex tb IIIC T130°C Db | -30°C ~ +70°C (-22°F ~ +158°F) | |
In accordance with IEC 60079-0, IEC 60079-1, IEC60079-31
CSA Hazardous Locations Certification for North America
Zone System
| Code | Class | Permitted Zone | Type of Protection | Group | Temperature Class | Ambient Temperature |
|---|---|---|---|---|---|---|
| AEx / Ex | I | 1 | db | IIB, IIA | T4 | -30°C ~ +70°C (-22°F ~ +158°F) |
| AEx / Ex | II | 21 | tb | IIIC, IIIB, IIIA | T130°C | -30°C ~ +70°C (-22°F ~ +158°F) |
In accordance with CAN / CSA-C22.2 No. 60079-0, CAN / CSA-C22.2 No. 60079-1, CAN / CSA-C22.2 No. 60079-31, UL 60079-0, UL 60079-1, UL 60079-31
Division System
| Hazard Class | Permitted Division | Group | Temperature Class | Ambient Temperature |
|---|---|---|---|---|
| I | 1 | C, D | T4 | -30°C ~ +70°C (-22°F ~ +158°F) |
| II | 1 | E, F, G | T130°C | -30°C ~ +70°C (-22°F ~ +158°F) |
In accordance with CSA C22.2 No. 30-M1986, CSA C22.2 No. 25-17, FM 3600, FM 3615, FM 3616
UKCA Hazardous Areas Certification
| Directive | Marking | Ambient Temperature |
|---|---|---|
| UKCA II 2GD | Ex db IIB T4 Gb | -30°C ~ +70°C (-22°F ~ +158°F) |
| UKCA II 2GD | Ex tb IIIC T130°C Db | -30°C ~ +70°C (-22°F ~ +158°F) |
In accordance with EN 60079-0, EN 60079-1, EN 60079-31
JPEx Hazardous Areas Certifcation for Japan
| Marking | Ambient Temperture | |
|---|---|---|
| Ex db IIB T4 Gb | -30°C ~ +70°C (-22°F ~ +158°F) | |
| Ex tb IIIC T130°C Db | -30°C ~ +70°C (-22°F ~ +158°F) | |
In accordance with JNIOSH-TR-46-1, JNIOSH-TR-46-2, JNIOSH-TR-46-9
- CSA certification for hazardous location
- TS
- IECEx
- ATEX
- CNEX
- UKEX (UKCA explosion-proof)
- JPEx

Space heater
A space heater can increase the internal temperature and keep dry inside actuator to avoid the freezing lubricant and moisture causing actuator failure under low temperature or high humidity. Heater is not recommended if the ambient temperature is above 35℃/95℉. However, when the temperature varies much from day to night or between summer and winter, heater and thermostat (25±5℃/77±9℉) are recommended.

Heater thermostat
The option can switch the heater off when the temperature inside the actuator is over 25℃/77℉.

Additional limit switches
The standard model equips with the 1st & 2nd switches for fully-open and fully-closed. The option consists of the 3rd & 4th auxiliary switches which provide dry contacts for fully-open and fully-closed.
OME-2~OME-8
Current position transmitter
The option can provide 4-20mA output signal for position indicator and etc.
OME-2~OME-8 The picture is based on AC 110/220V
The picture is based on DC 24V
Modulating controller
Actuator can be operated according to input signal and provide the output signal for indicator. Input signal : 4-20mA, 1-5V, 2-10V. Output signal : 4-20mA, 2-10V.
OME-2~OME-8
The pictures are based on AC 110/220V
Potentiometer unit
The option can be ordered with On/Off actuators.
The selection has 1k or 5k ohm resistance values.
It provides feedback signal for position indicator.
OME-2~OME-8(1KΩ or 5KΩ)

❶ Model
- A、AM、1、2、3、4、5、6、7、8
❷ Voltage
- D12:12V DC;12:12V AC
- D24: 24V DC;24:24V AC
- 110 – 120:110 ~ 120V AC
- 220 – 240:220 ~ 240V AC
❸ Control
- F:On- Off / Floating
- M:Modulating
❹ Duty Rating
- 30%, 75%




