- Home
- Electric Actuators
- Electric Actuators
- Spring Return Fail-Safe Electric Valve Actuators / S Series
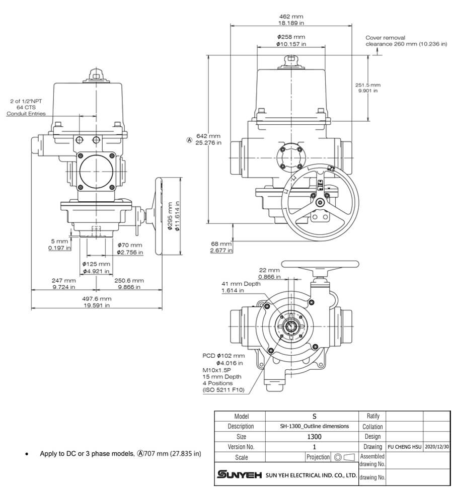
- S-1300
S-1300 spring return electric actuators
Standard Features
- Duty rating: 50% duty cycle at -40℃ to 40℃ and 30% duty cycle at 41℃ to 65℃.
- ON-OFF (Two-position) control.
Operating Condition
- Ambient Temperature: Standard: -30℃ to +65℃ (-22℉ to +149℉), Optional: -40℃ to +65℃ (-40℉ to +149℉)
- Relative Humidity: 30% to 95%
Enclosure
- IP68 (7m, 72 hrs), NEMA 4X / 5
- Dry powder coated aluminum alloy
Lubrication
- Gear trains have been already lubricated sufficiently with High-Temp grease at the factory.
Position Indication
- Visual mechanical position indicator.
Power Supply voltages
- AC/DC 24V (NOT available with floating or modulating control)
- AC 110V, 220V-1 Phase
- AC 220V, 380V, 440V-3 Phase (NOT available with floating or modulating control)
Conduit Entry
- Standard:2 x 1/2" NPT
- Optional:2 x 3/4" NPT, 2 x M20
| Model | Torque | Motor Power (W) | Weight | Mounting Interface | ||||||||
|---|---|---|---|---|---|---|---|---|---|---|---|---|
| Nm | in-lb | Standard | With Manual Override | Flange | Output Drive | Output Drive Depth | ||||||
| Kg | lb | Kg | lb | ISO 5211 | mm | inch | mm | inch | ||||
| S-500 | 50 | 445 | 50 | 27 | 60 | 37 | 82 | F07 | 17 | 0.669 | 30 | 1.181 |
| S-1300 | 130 | 1150 | 130 | 57 | 126 | 77 | 170 | F10 | 22 | 0.866 | 41 | 1.614 |
| S-2000 | 200 | 1770 | 130 | 93 | 205 | 131.5 | 290 | F12 | 27 | 1.062 | 45 | 1.772 |
| S-2600 | 260 | 2300 | 130 | 95 | 210 | 133.5 | 295 | F12 | 27 | 1.062 | 45 | 1.772 |
| S-3600 | 360 | 3185 | 130 | 103 | 228 | 152 | 336 | F12 | 36 | 1.417 | 46 | 1.811 |
- CE
- CSA
- SIL

Space heater
A space heater can increase the internal temperature and keep dry inside actuator to avoid the freezing lubricant and moisture causing actuator failure under low temperature or high humidity. Heater is not recommended if the ambient temperature is above 35℃/95℉. However, when the temperature varies much from day to night or between summer and winter, heater and thermostat (25±5℃/77±9℉) are recommended.

Heater thermostat
The option can switch the heater off when the temperature inside the actuator is over 25±5°C (77±9°F).

Additional limit switches
The standard model equips with the 1st & 2nd switches for fully-open and fully-closed. The option consists of the 3rd & 4th auxiliary switches which provide dry contacts for fully-open and fully-closed.
S500 S1300-S2600
Floating controller
The actuator can be controlled by external controller to open, close and stop at any position between 0 and 90 degree and will fail clockwise to the end position on loss of power. (Based on the standard running direction that the actuator fails clockwise on loss of power.)
The picture is based on AC 110/220V
Modulating controller
Actuator can be operated according to input signal and provide the output signal for feedback.
Input signal:4-20mA,1-5V,2-10V
Output signal:4-20mA,2-10V
The picture is based on AC 110/220V
Operating direction
Standard : Fail clockwise on loss of power.
Optional : Fail counter-clockwise on loss of power.

Manual override

Thermal insulation blanket
The thermal insulation blanket allows actuator capable of operation after exposure to high temperatures for a significant period of time. Its jacket design makes removal and reinstallation easy.
Working conditions :
Exposure to 250°C (482°F) for 2 hours.
Exposure to 300°C (572°F) for 1 hour.
Exposure to 400°C (752°F) for 2 hours.
Applicable for S-500, S1300, S2000, S2600-110-120Vac / 220-240Vac, on/off (two-position) control




