- Home
- Electric Actuators
- Electric Actuators
- Spring Return Fail-Safe Electric Valve Actuators / S Series
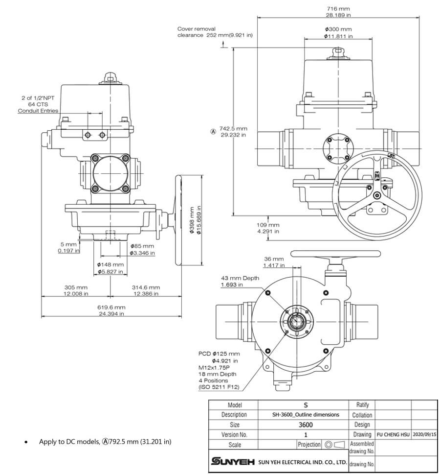
- S-3600
S-3600 spring return actuator
Standard Features
- Duty rating: 50% duty cycle at -40℃ to 40℃、30% duty cycle at 41℃ to 65℃.
- ON-OFF (Two-position) control
Operating Condition
- Ambient Temperature: -30℃ to +65℃ (-22℉ to +149℉)
- Relative Humidity: 30% to 95%
Enclosure
- IP68 (7m, 72 hrs), NEMA 4X / 5
- Dry powder coated aluminum alloy
Lubrication
- Gear trains have been already lubricated sufficiently with High-Temp grease at the factory.
Position Indication
- Visual mechanical position indicator.
Power Supply Voltages
- AC/DC 24V (NOT available with floating or modulating control)
- AC 110V, 220V - 1 Phase (NOT available with floating or modulating control)
Conduit Entry
- Standard:2 x 1/2" NPT
- Optional:2 x 3/4" NPT, 2 x M20
| Model | Torque | Motor Power (W) | Weight | Mounting Interface | ||||||||
|---|---|---|---|---|---|---|---|---|---|---|---|---|
| Nm | in-lb | Standard | With Manual Override | Flange | Output Drive | Output Drive Depth | ||||||
| Kg | lb | Kg | lb | ISO 5211 | mm | inch | mm | inch | ||||
| S-500 | 50 | 445 | 50 | 27 | 60 | 37 | 82 | F07 | 17 | 0.669 | 30 | 1.181 |
| S-1300 | 130 | 1150 | 130 | 57 | 126 | 77 | 170 | F10 | 22 | 0.866 | 41 | 1.614 |
| S-2000 | 200 | 1770 | 130 | 93 | 205 | 131.5 | 290 | F12 | 27 | 1.062 | 45 | 1.772 |
| S-2600 | 260 | 2300 | 130 | 95 | 210 | 133.5 | 295 | F12 | 27 | 1.062 | 45 | 1.772 |
| S-3600 | 360 | 3185 | 130 | 103 | 228 | 152 | 336 | F12 | 36 | 1.417 | 43 | 1.693 |
- CE
- CSA

Space heater
A space heater can increase the internal temperature and keep dry inside actuator to avoid the freezing lubricant and moisture causing actuator failure under low temperature or high humidity. Heater is not recommended if the ambient temperature is above 35℃/95℉. However, when the temperature varies much from day to night or between summer and winter, heater and thermostat (25±5℃/77±9℉) are recommended.

Heater thermostat
The option can switch the heater off when the temperature inside the actuator is over 25±5°C (77±9°F).

Additional limit switches
The standard model equips with the 1st & 2nd switches for fully-open and fully-closed. The option consists of the 3rd & 4th auxiliary switches which provide dry contacts for fully-open and fully-closed.

Operating direction
Standard : Fail clockwise on loss of power.
Optional : Fail counter-clockwise on loss of power.

Manual override





