OM-AM electric control valve actuators
Enclosure
- Polyester powder-coated aluminum alloy.
- NEMA type 4X, 5, IP66 & IP67, intended for outdoor use.
- ISO 12944-2 Corrosivity category C3. C4/C5 is optional.
Motor
- Insulation class F
- Built-in thermal protector prevents the motor from overheating and burnout.
Thermal trip temperature:
AC motor: 125±5℃ (257±9℉)
DC motor:90±5℃ (194±9℉)
Duty Cycle
- Standard: 30% duty cycle
- Optional: 75% duty cycle
Position Indication
- A mechanical position indicator is located on the top of the actuator.
Gear Train
- High-alloy steel planetary gears are used, and a self-locking function is provided.
- The gears are lubricated for life with high-temperature grease.
Conduit Entry
- Standard: 1/2” PS
- Optional: 1/2” PF, 1/2” NPT, M20
Voltages
- 12V AC, 12V DC
- 24V AC/DC multi-voltage
- 110-120V AC
- 220-240V AC-1 Phase
Travel Angle
- Standard: 0° to 90°
Operating Condition
- Ambient temperature: -30℃ to +65℃ (-22℉ to +149℉)
- Relative humidity: 30% to 95%
| Model | Torque | |
|---|---|---|
| Nm | in-lb | |
| BM-2 | 120 | 1065 |
| OM-A | 50 | 445 |
| OM-AM | 50 | 445 |
| OM-1 | 35 | 310 |
| OM-F | 65 | 575 |
| OM-J | 80 | 708 |
| OM-2 | 90 | 800 |
| OM-G | 120 | 1065 |
| OM-3 | 150 | 1330 |
| OM-H | 300 | 2655 |
| OM-4 | 400 | 3540 |
| OM-5 | 500 | 4430 |
| OM-6 | 650 | 5755 |
| OM-7 | 1000 | 8855 |
| OM-8 | 1500 | 13280 |
| OM-9 | 2000 | 17710 |
| OM-10 | 2500 | 22140 |
| OM-11 | 3000 | 26565 |
| OM-12 | 3500 | 31000 |
| OM-13 | 4500 | 40000 |
| Weight | Flange Type | Output Drive | Output Drive Depth | Manual Override | |||
|---|---|---|---|---|---|---|---|
| kg | lb | ISO 5211 | mm | inch | mm | inch | |
| 5.5 | 12.1 | F07 | 22 | 0.886 | 35 | 1.377 | N/A |
| 3 | 6.6 | F05/F07 | 17 | 0.669 | 20 | 0.787 | N/A |
| 3 | 6.6 | F05/F07 | 17 | 0.669 | 20 | 0.787 | Lever |
| 2 | 4.4 | F03/F05 | 14 | 0.551 | 17 | 0.669 | Lever |
| 11 | 24.3 | F07/F10 | 22 | 0.886 | 30 | 1.181 | Hand-Wheel |
| 3 | 6.6 | F05/F07 | 17 | 0.669 | 20 | 0.787 | Lever |
| 10.5 | 23.1 | F07/F10 | 22 | 0.886 | 30 | 1.181 | Hand-Wheel |
| 11 | 24.3 | F07/F10 | 22 | 0.886 | 30 | 1.181 | Hand-Wheel |
| 10.5 | 23.1 | F07/F10 | 22 | 0.886 | 30 | 1.181 | Hand-Wheel |
| 15 | 33.1 | F07/F10 | 22 | 0.886 | 30 | 1.181 | Hand-Wheel |
| 20 | 44.1 | F10/F12 | 36 | 1.417 | 40 | 1.574 | Hand-Wheel |
| 20 | 44.1 | F10/F12 | 36 | 1.417 | 40 | 1.574 | Hand-Wheel |
| 20 | 44.1 | F10/F12 | 36 | 1.417 | 40 | 1.574 | Hand-Wheel |
| 36 | 79.4 | F12 or F14 | 35 | 1.377 | 60 | 2.362 | Hand-Wheel |
| 36 | 79.4 | F12 or F14 | 35 | 1.377 | 60 | 2.362 | Hand-Wheel |
| 68.5 | 151 | F14 or F16 | 75 | 2.952 | 100 | 3.937 | Hand-Wheel |
| 68.5 | 151 | F14 or F16 | 75 | 2.952 | 100 | 3.937 | Hand-Wheel |
| 68.5 | 151 | F14 or F16 | 75 | 2.952 | 100 | 3.937 | Hand-Wheel |
| 68.5 | 151 | F14 or F16 | 75 | 2.952 | 100 | 3.937 | Hand-Wheel |
| 102.5 | 226 | F16/F25 | 72 | 2.834 | 110 | 4.33 | Hand-Wheel |
- CE
- CSA
- UKCA

Anti-condensation heater
A space heater can increase the internal temperature and keep dry inside actuator to avoid the freezing lubricant and moisture causing actuator failure under low temperature or high humidity. Heater is not recommended if the ambient temperature is higher than 35℃ (95℉). However, when the temperature varies much from day to night or between summer and winter, heater and thermostat are recommended.

Heater thermostat
The option can switch the heater off when the temperature inside the actuator is over 25±5℃ (77±9℉).

Auxiliary limit switches
The standard model equips with the 1st & 2nd switches for fully-open and fully-closed. The option consists of the 3rd & 4th auxiliary switches which provide dry contacts for fully-open and fully-closed.

Analog output
The option can provide 4-20mA output signal for position indicator and etc.
The picture is based on DC 24V
Modulating control
Actuator can be operated according to input signal and provide the output signal for indicator. Input signal : 4-20mA, 1-5V, 2-10V. Output signal : 4-20mA, 2-10V.
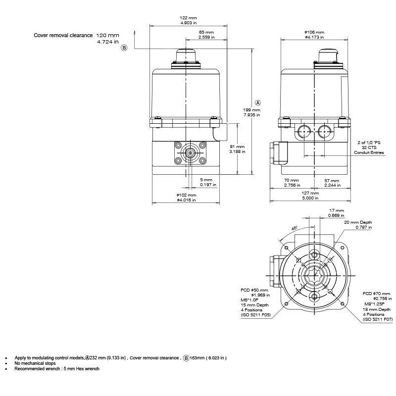
OM-1、OM-A、OM-A-M
The pictures are based on AC 110/220V
Extended duty cycle kit (including motor, IEC standard)
The option is suggested for higher starting frequency.
OM-1、OM-A、OM-AM:75% duty cycle
The pictures are based on AC 110/220V
Potentiometer
The option can be ordered with On/Off actuators.
The selection has 1k or 5k ohm resistance values.
It provides feedback signal for position indicator.

Isolation relay module
when a set of control wire or switch needs to control two or more actuators at the same time, the module is recommended.
OM-1,OM-A,OM-AM
Communication protocols
Modbus.It is available for 110/220VAC,1-PH actuators
Local control unit
This option contains LOCAL /REMOTE and CLOSE /OFF /OPEN rotary switches. Under LOCAL control mode, the controlled valves or dampers can be driven to open, stop, or close by CLOSE /OFF /OPEN rotary switch. (Available only for on/off/floating control units.)
IP rating: IP65
Optional:IP67

Junction box
Wiring can be done through the optional box, without removing the actuators' cover.

Thermal insulation blanket
The combination of quarter-turn electric actuators with a Thermal Insulation Blanket is designed to remove and re-install easily. It makes the actuator run smoothly even in high temperature environment.
Working conditions:
※ Withstand two hours at 250°C (482°F).
※ Withstand one hour at 300°C (572°F).
Available for OM-A, OM-AM, OM-1 to OM-8 on-off/floating units.



.jpg)

.jpg)
