T-15
- Compact size can install in small space.
- Manual operation can be applied in case of electric failure.
- Built-in thermal protection prevents motor burnout.
- Simple design, easy operation.
| Model | T-6 | T-15 | ||||||
|---|---|---|---|---|---|---|---|---|
| Torque Max | 6 Nm/53 in-lb | 15 Nm/132 in-lb | ||||||
| Power Supply | 110V AC | 220V AC | 24V AC/DC | 12V DC | 110V AC | 220V AC | 24V AC/DC | 12V DC |
| Weight | 1.5 kg/3.3 lb | |||||||
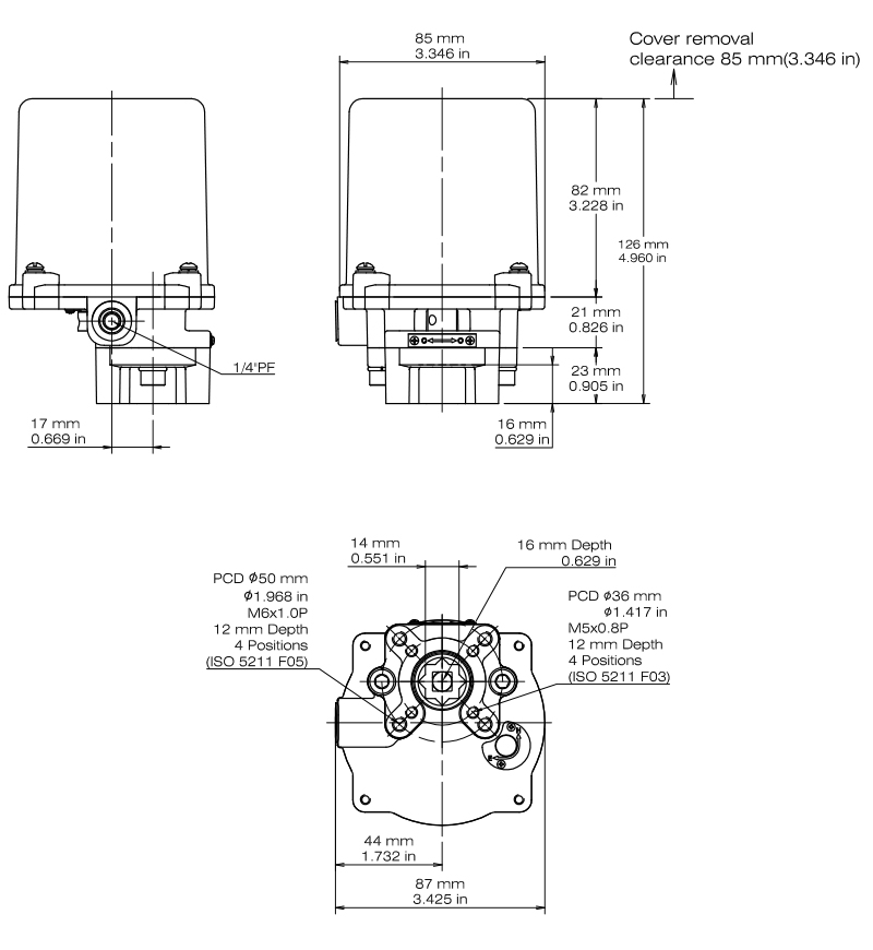
| Flange Type | ISO5211 F03/F05 | |||||||
| Manual Override | √ | |||||||
| Duty Cycle | 30% | |||||||
| Control | ON-OFF | |||||||
| Top Cover | Aluminum alloy, polyester powder coated | |||||||
| Enclosures | NEMA 4X/5, IP67 | |||||||
| Ambient Temperature | -30°C to +65°C (-22°F to 149°F) | |||||||
| Conduit Entry | 1/4"PF ( Max. Internal Diameter :8mm) | |||||||
- CE
- CSA
◉ This dimension is apply to 110/220VAC. If you require 24V or 12VDC, please contact your salesperson.
| Flange Type | ISO5211 F04 |
|---|---|
| Conduit Entry (1-PG11 cable gland with wires 1m long |
Note : The cable gland and cable only suit for indoor use. For outdoor using please replace suitable cable gland and cable. |




