Product Name : OME-A
Description
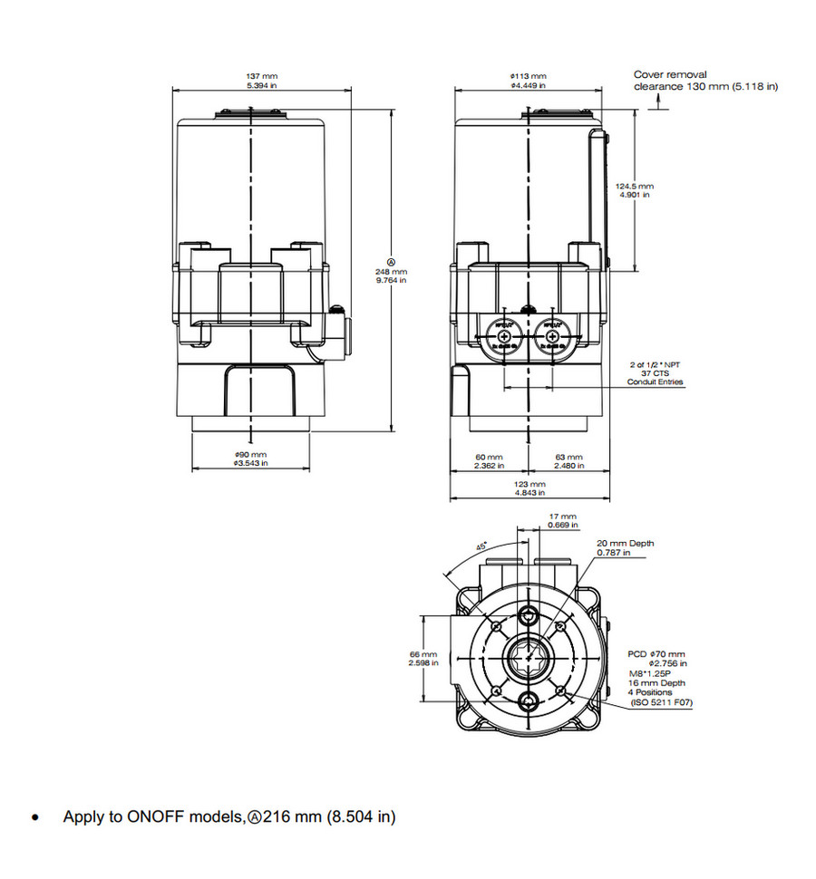
Max Torque:50 Nm/445 in-lb
Motor Power:10 W
Manual Override:N/A
Mounting Flange:ISO 5211 F07
Running Time:Please refer to the electrical data. Click here to download.
Weight:4.5 kg/10 lb

Enclosure 

  • Polyester powder coated aluminum alloy.
  • NEMA type 4X, IP66, IP68 (7m, 72 hrs)

Motor 

  • Built-in thermal protector prevents motor from overheating and burnout.

Duty Cycle 

  • Standard:30% duty cycle
  • Optional:75% duty cycle

Control  

  • Standard : On-Off/Floating
  • Optional : Modulating

Operation Condition

  • Ambient temperature:-30℃ to +70℃ (-22℉ to +158℉)
  • Relative humidity:30% to 95%

Position Indication 

  • Flatted mechanical position indicator on the top of the actuator.

Gear Train 

  • High-alloy steel planetary gears are used, and a self-locking function is provided.
  • The gears are lubricated for life with high-temperature grease.

Conduit Entry 

  • Standard : 1/2” NPT
  • Option : M20, M25

Voltages 

  • AC/DC 24V
  • AC 110-120
  • AC 220-240/1-Phase

Hazardous Area Enclosures

TS Taiwan Hazardous Areas Certification

MarkingAmbient Temperature
Ex db IIB T4 Gb - 30 °C ~ + 70 °C (- 22 °F ~ +158 °F)
Ex tb IIIC T130°C Db - 30 °C ~ + 70 °C (- 22 °F ~ +158 °F)


In accordance with IEC 60079-0, IEC 60079-1, and IEC 60079-31,


CNEx China Hazardous Areas Certification

MarkingAmbient Temperature
Ex db IIB T4 Gb - 30 °C ~ + 70 °C (- 22 °F ~ +158 °F)
Ex tb IIIC T130 °C Db - 30 °C ~ + 70 °C (- 22 °F ~ +158 °F)


In accordance with GB/T3836.1, GB/T3836.2, GB/T3836.31


ATEX Hazardous Areas Certification for European Union

DirectiveMarkingAmbient Temperature
ATEX II 2GD Ex db IIB T4 Gb -30°C ~ +70°C (-22°F ~ +158°F)
ATEX II 2GD Ex tb IIIC T130°C Db -30°C ~ +70°C (-22°F ~ +158°F)


In accordance with EN IEC 60079-0, EN 60079-1, and EN 60079-31


IECEx Hazardous Areas Certification for International Market

MarkingAmbient Temperature
Ex db IIB T4 Gb -30°C ~ +70°C (-22°F ~ +158°F)
Ex tb IIIC T130°C Db -30°C ~ +70°C (-22°F ~ +158°F)


In accordance with IEC 60079-0, IEC 60079-1, and IEC 60079-31


CSA Hazardous Locations Certification for North America

Zone System

CodeClassPermitted ZoneType of ProtectionGroupTemperature ClassAmbient Temperature
AEx / Ex I 1 db IIA, IIB T4 -30°C ~ +70°C (-22°F ~ +158°F)
AEx / Ex II 21 tb IIIA, IIIB, IIIC T130°C -30°C ~ +70°C (-22°F ~ +158°F)


In accordance with CAN / CSA-C22.2 No. 60079-0, CAN / CSA-C22.2 No. 60079-1, CAN / CSA-C22.2 No. 60079-31, UL 60079-0, UL 60079-1, UL 60079-31


Division System

Hazard ClassPermitted DivisionGroupTemperature ClassAmbient Temperature
I 1 C, D T4 -30°C ~ +70°C (-22°F ~ +158°F)
II 1 E, F, G T130°C -30°C ~ +70°C (-22°F ~ +158°F)


In accordance with CSA C22.2 No. 30-M1986, CSA C22.2 No. 25-17, FM 3600, FM 3615, FM 3616


UKCA Hazardous Areas Certification

DirectiveMarkingAmbient Temperature
UKCA II 2GD Ex db IIB T4 Gb -30°C ~ +70°C (-22°F ~ +158°F)
UKCA II 2GD Ex tb IIIC T130°C Db -30°C ~ +70°C (-22°F ~ +158°F)


In accordance with EN 60079-0, EN 60079-1, and EN 60079-31


JPEx Hazardous Areas Certification for Japan

MarkingAmbient Temperture
Ex db IIB T4 Gb -30°C ~ +70°C (-22°F ~ +158°F)
Ex tb IIIC T130°C Db -30°C ~ +70°C (-22°F ~ +158°F)


In accordance with JNIOSH-TR-46-1, JNIOSH-TR-46-2, and JNIOSH-TR-46-9

  • CSA certification for hazardous locations
  • TS
  • IECEx
  • ATEX
  • CNEX
  • UKEX (UKCA explosion-proof}
  • JPEx

proimages/product/OME/OMEA-M-S01A(英).jpg

Space heater

A space heater can increase the internal temperature and keep dry inside actuator to avoid the freezing lubricant and moisture causing actuator failure under low temperature or high humidity. Heater is not recommended if the ambient temperature is above 35℃/95℉. However, when the temperature varies much from day to night or between summer and winter, heater and thermostat (25±5℃/77±9℉) are recommended.

proimages/options/加熱器.png

Heater thermostat

The option can switch the heater off when the temperature inside the actuator is over 25℃/77℉.

Additional limit switches

The standard model equips with the 1st & 2nd switches for fully-open and fully-closed. The option consists of the 3rd & 4th auxiliary switches which provide dry contacts for fully-open and fully-closed.

proimages/options/OM-1AAM微動開關組.png

Current position transmitter

The option can provide 4-20mA output signal for position indicator and etc.

The picture is based on DC 24V

Modulating controller

Actuator can be operated according to input signal and provide the output signal for indicator. Input signal : 4-20mA, 1-5V, 2-10V. Output signal : 4-20mA, 2-10V.

OM-1、OM-A、OM-AM
The pictures are based on AC 110/220V

Potentiometer unit

The option can be ordered with On/Off actuators.

The selection has 1k or 5k ohm resistance values.

It provides feedback signal for position indicator.

❶ Model

  • A、AM、1、2、3、4、5、6、7、8

❷ Voltage

  • D12:12V DC;12:12V AC
  • D24:24V DC;24:24V AC
  • 110 - 120:110 ~ 120V AC
  • 220 - 240:220 ~ 240V AC

❸ Control

  • F:On-Off / Floating
  • M:Modulating

❹ Duty Rating

  • 30%, 75%
您有最新消息