- 首頁
- 電動驅動器
- 電動驅動器
- 彈簧式失效安全電動驅動器 / S系列
- S-3600
S-3600
標準功能
- 啟動頻率: 50% (-30℃ ~ +40℃)、30% (+41℃ ~ +65℃)
- 開/關控制
工作條件
- 環境溫度: -30℃ ~ +65℃/-22℉ ~ +149℉
- 相對濕度: 30% ~ 95%
外殼
- 鋁合金材質,Polyester 粉體塗裝。
- IP68 (7公尺, 72小時)、NEMA Type 4X / 5,通過CSA屋外使用標準測試。
- ISO 12944-2 C3 防腐蝕等級;另有C4/C5可選。
潤滑
- 齒輪組出廠前,皆以耐高溫潤滑油脂充分潤滑,正常使用不流失情況下,可永久不需添加潤滑油脂。
開度指示
- 機械開度指示器,方便目視閥門開度位置。
電壓
- 24V AC、24V DC (24V無浮動式或比例式控制)
- 110-120V AC(無浮動式或比例式控制)
- 220-240V AC-單相 (無浮動式或比例式控制)
出線孔
- 標準: 1/2" NPT
- 選配: 3/4" NPT、M20
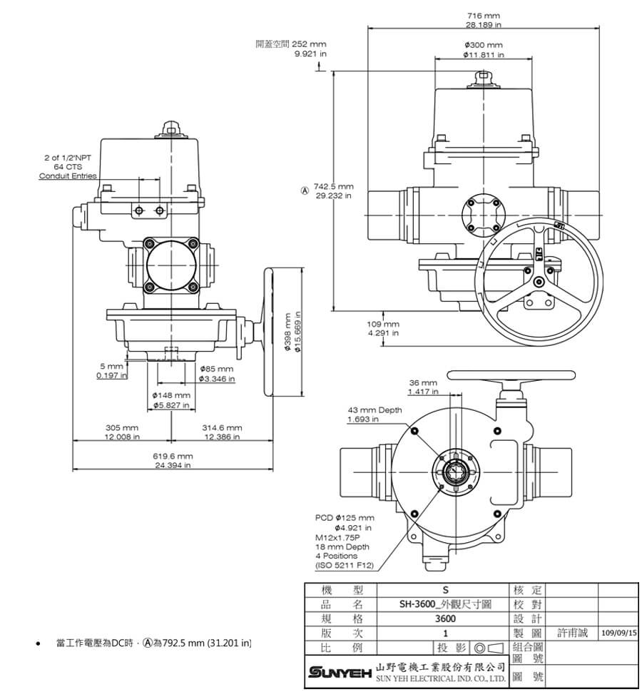
| 型號 | 扭力 | 馬達功率 w | 重量 | 安裝介面 | ||||||
|---|---|---|---|---|---|---|---|---|---|---|
| Nm | in-lb | 標準型(無手動) | 加裝手動裝置 | 法蘭孔距 | 輸出軸 | 輸出軸深度 | ||||
| kg | lb | kg | lb | ISO 5211 | mm | mm | ||||
| S-500 | 50 | 445 | 50 | 27 | 60 | 37 | 82 | F07 | 17 | 30 |
| S-1300 | 130 | 1150 | 130 | 57 | 126 | 77 | 170 | F10 | 22 | 41 |
| S-2000 | 200 | 1770 | 130 | 93 | 205 | 131.5 | 290 | F12 | 27 | 45 |
| S-2600 | 260 | 2300 | 130 | 95 | 210 | 133.5 | 295 | F12 | 27 | 45 |
| S-3600 | 360 | 3185 | 130 | 103 | 228 | 152 | 336 | F12 | 36 | 43 |
- CE
- CSA

加熱器
可使驅動器內部溫度上升,保持乾燥,防止低溫或高濕度下,潤滑油脂凝固或濕氣造成故障。如環境溫度高於35℃/95℉以上則不建議加裝。但日夜溫差與夏冬季溫差大時,建議加裝溫控器開關使加熱器發揮應有功能。

加熱器溫控開關
加熱器溫控開關可在驅動器內部溫度超過25±5°C (77±9°F) 時,切斷加熱迴路以停止加熱。

輔助微動開關-乾接點
標準型產品配置兩只微動開關作全開、全關控制,可加裝兩只微動開關,作為全開及全關乾接點。
運轉方向
標準:電源失敗時,驅動器順時針旋轉。
選配:電源失敗時,驅動器逆時針旋轉。

手動裝置





