產品名稱 : OME-A
產品描述
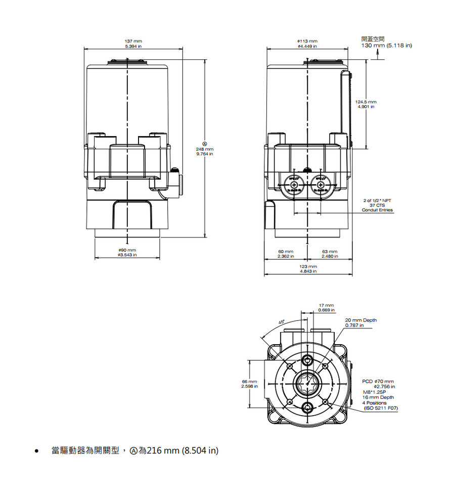
最大扭力:50 Nm/445 in-lb 
馬達功率:10 W
手動裝置:無
法蘭孔距:ISO 5211 F07
速度:記載於電氣數據中, 請點擊此處下載
重量:4.5 kg/10 lb

  • IP68(7公尺, 72小時)
  • 自鎖功能
  • ISO 5211 安裝介面
  • 機械式開度指示器。
  • 馬達內建溫控保護以防止馬達過熱燒毀。

控制類型:

  • 標準:F-開關型/三點浮動型
  • 選配:M-比例式 

出線孔:

  • 標準:1/2” NPT
  • 選配:M20

危險場所產品認證 

台灣防爆認證-TS

防爆標誌環境溫度
Ex db IIB T4 Gb -30°C ~ +70°C (-22°F ~ +158°F)
Ex tb IIIC T130°C Db -30°C ~ +70°C (-22°F ~ +158°F)


引用標準: IEC 60079-0, IEC 60079-1, IEC60079-31


中國防爆認證-CNEx / CCC

防爆標誌環境溫度
Ex db IIB T4 Gb -30°C ~ +70°C (-22°F ~ +158°F)
Ex tb IIIC T130°C Db -30°C ~ +70°C (-22°F ~ +158°F)


引用標準: GB/T3836.1, GB/T3836.2, GB/T3836.31


歐盟防爆認證-ATEX

指令防爆標誌環境溫度
ATEX II 2GD Ex db IIB T4 Gb -30°C ~ +70°C (-22°F ~ +158°F)
ATEX II 2GD Ex tb IIIC T130°C Db -30°C ~ +70°C (-22°F ~ +158°F)


引用標準:IEC 60079-0, IEC 60079-1, IEC60079-31


œ‹際防爆認證-IECEx

防爆標誌環境溫度
Ex db IIB T4 Gb -30°C ~ +70°C (-22°F ~ +158°F)
Ex tb IIIC T130°C Db -30°C ~ +70°C (-22°F ~ +158°F)


引用標準:IEC 60079-0, IEC 60079-1, IEC60079-31


北美防爆認證-CSA

Zone 系統

防爆代號防爆等級危險區域 (Zone)防護型式設備組別溫度組別環境溫度
AEx / Ex I 1 db IIA, IIB T4 -30°C ~ +70°C (-22°F ~ +158°F)
AEx / Ex II 21 tb IIIA, IIIB, IIIC T130°C -30°C ~ +70°C (-22°F ~ +158°F)


引用標準:CAN / CSA-C22.2 No. 0:20, CAN / CSA-C22.2 No. 60079-0, CAN / CSA-C22.2 No. 60079-1,CAN / CSA-C22.2 No. 60079-31, UL 60079-0, UL 60079-1, UL 60079-31


Division 系統

危險等級危險區域 (Division)設備組別溫度組別環境溫度
I 1 C, D T4 -30°C ~ +70°C (-22°F ~ +158°F)
II 1 E, F, G T130°C -30°C ~ +70°C (-22°F ~ +158°F)


引用標準: CAN / CSA-C22.2 No. 0:20, CSA C22.2 No. 30-M1986, CSA C22.2 No. 25-17, FM 3600,FM 3615, FM 3616


英國防爆認證-UKEX

指令防爆標誌環境溫度
UKCA II 2GD Ex db IIB T4 Gb -30°C ~ +70°C (-22°F ~ +158°F)
UKCA II 2GD Ex tb IIIC T130°C Db -30°C ~ +70°C (-22°F ~ +158°F)


引用標準:EN 60079-0, EN 60079-1, EN 60079-31


日本防爆認證-JPEx

防爆標誌環境溫度
Ex db IIB T4 Gb -30°C ~ +70°C (-22°F ~ +158°F)
Ex tb IIIC T130°C Db -30°C ~ +70°C (-22°F ~ +158°F)
  • CSA 北美危險場所產品認證
  • TS 台灣防爆認證
  • IECEx 國際防爆認證
  • ATEX 歐盟防爆認證
  • CNEX / CCC 中國防爆認證
  • UKEX 英國防爆認證
  • JPEx 日本防爆認證

proimages/product/OME/OMEA-M-S01A.jpg

加熱器

加熱器可使驅動器內部溫度提升並保持乾燥,以防止低溫或高濕度下,潤滑油結凍或濕氣造成故障。如環境溫度高於35℃/95℉以上則不建議加裝。但日夜溫差與夏冬季溫差大時,建議在加熱器前端加裝一只溫控器(25±5℃/77±9℉)使加熱器發揮應有功能。

proimages/options/加熱器.png

加熱器溫控開關

當驅動器內部的溫度超過25℃/77℉,加熱器溫控開關可以切斷加熱迴路以停止加熱。

微動開關-乾接點

標準型產品配有全開及全關控制微動開關,可加裝兩只微動開關,作為全開及全關乾接點。

proimages/options/OM-1AAM微動開關組.png

輸出訊號板

此選配可以提供4-20mA輸出信號給開度指示器,適用於開關型驅動器。

圖片是 DC 24V產品用

比例板(含 5K VR)

內置式比例板可藉輸入訊號控制驅動器之開度,同時搭配電位計作訊號輸出,讓控制人員掌握閥門之開度狀況。
輸入訊號:4-20mA,1-5V,2-10V。
輸出訊號:4-20mA,2-10V。

OM-1、OM-A、OM-A-M
圖片是 AC 110/220V產品用

電位計-可變電阻

只有開關型驅動器可以安裝此選項以提供回朔訊號給開度指示,可選擇1K或5K歐姆的電阻值。

❶ 型號

  • A、AM、1、2、3、4、5、6、7、8

❷ 電壓

  • D12:12V DC;12:12V AC
  • D24:24V DC;24:24V AC
  • 110 - 120:110 ~ 120V AC
  • 220 - 240:220 ~ 240V AC 

❸ 控制模式

  • F:開關型/三點浮動型
  • M:比例式

❹ 啟動頻率

  • 30%、75%
您有最新消息