SE-500
- Enclosure NEMA 4X, IP68 (7 m, 72 hrs)
- On/Off (two-position), floating, and modulating
- Clutch-less manual override provided as an option
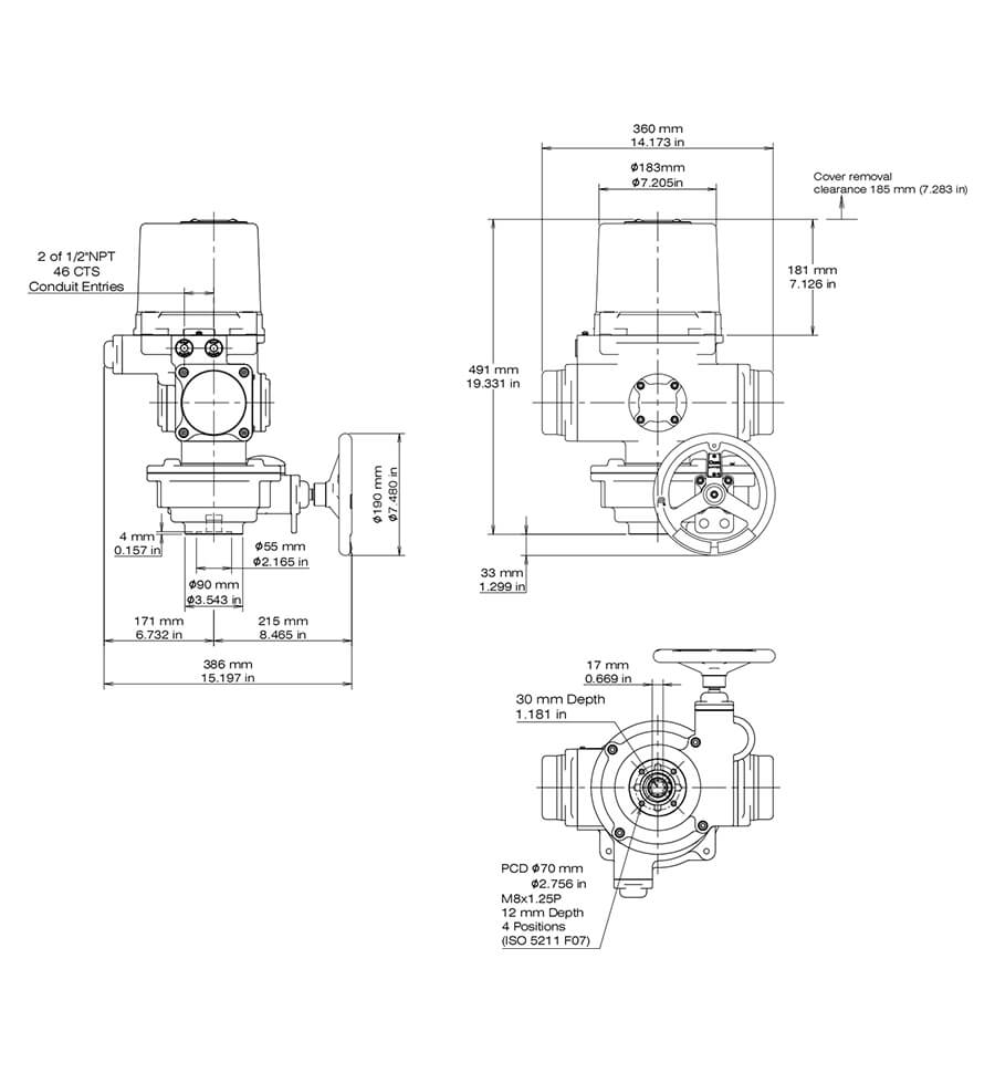
- ISO 5211 flange.
- Built-in thermal protector prevents motor from burning out.
Control:
- Standard: On/Off
- Optional: Modulating, On/Off-floating
Conduit entry :
- Standard: 1/2 ” NPT
- Optional: 3/4” NPT, M20, M25
Manual override (option):
- Non-clutch design, no lever, clutch or brake rquired change from auto mode to manual operation.
- When the electric motor is operating, the hand-wheel won’t rotate for safety
Fail-safe direction :
- Spring return direction is not changeable, spring failure direction (CW or CCW) is configured by the factory. Please select the fail-safe direction per application requirements.
- Standard: Clockwise rotation when power fails and spring returns
- Optional: Counter-clockwise when power fails and spring returns
Hazardous Area Enclosures
TS Taiwan Hazardous Areas Certification
| Marking | Ambient Temperature | |
|---|---|---|
| Ex db IIB T4 Gb | - 30 °C ~ + 70 °C (- 22 °F ~ +158 °F) | |
| Ex tb IIIC T130°C Db | - 30 °C ~ + 70 °C (- 22 °F ~ +158 °F) | |
In accordance with IEC 60079-0, IEC 60079-1, IEC60079-31
CNEx China Hazardous Areas Certification
| Marking | Ambient Temperature | |
|---|---|---|
| Ex db IIB T4 Gb | - 30 °C ~ + 70 °C (- 22 °F ~ +158 °F) | |
| Ex tb IIIC T130 °C Db | - 30 °C ~ + 70 °C (- 22 °F ~ +158 °F) | |
In accordance with GB/T3836.1, GB/T3836.2, GB/T3836.31
ATEX Hazardous Areas Certification for European Union
| Directive | Marking | Ambient Temperature |
|---|---|---|
| ATEX II 2GD | Ex db IIB T4 Gb | -30°C ~ +70°C (-22°F ~ +158°F) |
| ATEX II 2GD | Ex tb IIIC T130°C Db | -30°C ~ +70°C (-22°F ~ +158°F) |
In accordance with IEC 60079-0, IEC 60079-1, IEC60079-31
IECEx Hazardous Areas Certifcation for International Market
| Marking | Ambient Temperature | |
|---|---|---|
| Ex db IIB T4 Gb | -30°C ~ +70°C (-22°F ~ +158°F) | |
| Ex tb IIIC T130°C Db | -30°C ~ +70°C (-22°F ~ +158°F) | |
In accordance with IEC 60079-0, IEC 60079-1, IEC60079-31
CSA Hazardous Locations Certification for North America
Zone System
| Code | Class | Permitted Zone | Type of Protection | Group | Temperature Class | Ambient Temperature |
|---|---|---|---|---|---|---|
| AEx / Ex | I | 1 | db | IIB, IIA | T4 | -30°C ~ +70°C (-22°F ~ +158°F) |
| AEx / Ex | II | 21 | tb | IIIC, IIIB, IIIA | T130°C | -30°C ~ +70°C (-22°F ~ +158°F) |
In accordance with CAN / CSA-C22.2 No. 0-20, CAN / CSA-C22.2 No. 60079-0, CAN / CSA-C22.2 No. 60079-1, CAN / CSA-C22.2 No. 60079-31, UL 60079-0, UL 60079-1, UL 60079-31
Division System
| Hazard Class | Permitted Division | Group | Temperature Class | Ambient Temperature |
|---|---|---|---|---|
| I | 1 | C, D | T4 | -30°C ~ +70°C (-22°F ~ +158°F) |
| II | 1 | E, F, G | T130°C | -30°C ~ +70°C (-22°F ~ +158°F) |
In accordance with CAN / CSA-C22.2 No. 0-10, CSA C22.2 No. 30-M1986, CSA C22.2 No. 25-17, FM 3600, FM 3615, FM 3616
UKCA Hazardous Areas Certification
| Directive | Marking | Ambient Temperature |
|---|---|---|
| UKCA II 2GD | Ex db IIB T4 Gb | -30°C ~ +70°C (-22°F ~ +158°F) |
| UKCA II 2GD | Ex tb IIIC T130°C Db | -30°C ~ +70°C (-22°F ~ +158°F) |
In accordance with EN 60079-0, EN 60079-1, EN 60079-31
- CSA
- TS
- IECEx
- ATEX
- UKEX (UKCA Explosion-proof)
- CNEX
- SIL

Space heater
A space heater can increase the internal temperature and keep dry inside actuator to avoid the freezing lubricant and moisture causing actuator failure under low temperature or high humidity. Heater is not recommended if the ambient temperature is above 35℃/95℉. However, when the temperature varies much from day to night or between summer and winter, heater and thermostat (25±5℃/77±9℉) are recommended.

Heater thermostat
The option can switch the heater off when the temperature inside the actuator is over 25°C / 77°F.

Additional limit switches
The standard model equips with the 1st & 2nd switches for fully-open and fully-closed. The option consists of the 3rd & 4th auxiliary switches which provide dry contacts for fully-open and fully-closed.
Current position transmitter
The option can provide 4-20mA output signal and suit for two-position control units.
The picture is based on AC 110/220V
Floating controller
The actuator can be controlled by external controller to open, close and stop at any position between 0 and 90 degree and will fail clockwise to the end position on loss of power. (Based on the standard running direction that the actuator fails clockwise on loss of power.)
The picture is based on AC 110/220V
Modulating controller
Actuator can be operated according to input signal and provide the output signal for feedback.
Input signal:4-20mA,1-5V,2-10V
Output signal:4-20mA,2-10V
The picture is based on AC 110/220V
Fail-safe Operating direction
Standard : Fail clockwise on loss of power.
Optional : Fail counter-clockwise on loss of power.

Manual override

Potentiometer unit (1K or 5K)
The option can be ordered with two-position control actuators. The selection has 1k or 5k ohm resistance values. It provides feedback signal for position indicator.


❶ Torque (kgf-cm)
- 500、1300、2000、2600
❷ Voltage
- D24– 24V DC; 24 – 24V AC
- 110 – 110V AC; 120 – 120V AC
- 220 – 220V AC; 240 – 240V AC
- 380 – 380V AC; 440 – 440V AC
❸ Direction of Rotation
- CW – Fail clockwise spring return.
- CCW –Fail counter-clockwise spring return.
❹ Control Method
- T – ON/OFF
- M – Modulating
- F – ON/OFF-Floating
❺ Manual Override
- Y – With Manual Override
- N – Without Manual Override




