- 首頁
- 電動驅動器
- 電動驅動器
- 90度轉電動驅動器 / CM系列
- CM500
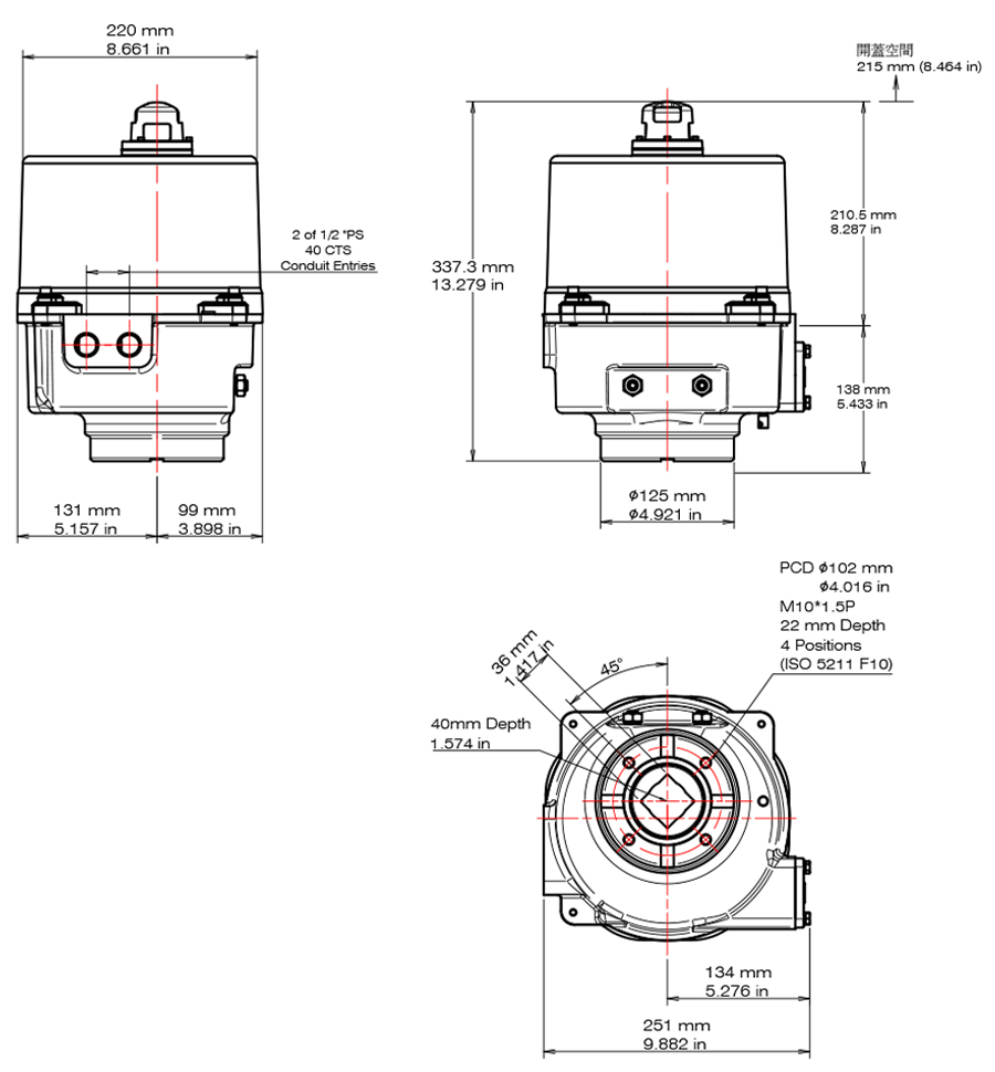
CM-500
外殼:
- 底座:鋁合金材質並覆蓋一層粉體烤漆。
- 上蓋: ABS塑膠防撞材質。
馬達(馬力小、扭力大、用電省):
- 全系列產品之絕緣等級為B級。
- 馬達內部含有溫控裝置,具有防燒保護功能,可有效避免馬達過熱毀損。
AC馬達:115±5℃/239±9℉
DC馬達:90±5℃/194±9℉
手動裝置:
- 使用者可使用手動裝置進行開關動作,手動操作前請先移除手動裝置上的紅色防塵塞,並於操作後再將防塵塞歸位。
啟動頻率:
- 30%啟動頻率
開度指示器:
- 所有型號在外殼上方都配有連續機械裝置之開度指示器,以方便使用者目視即可掌握驅動器之開度狀況。
工作條件:
- 環境溫度:
塑膠蓋-10℃~+65℃
鋁合金上蓋-30℃ ~ +65℃ / -22℉ ~ +149℉ - 濕度:30%~95%
出線孔
- 標準:1/2" PS
- 選配:3/4" NPT, 1/2" NPT, M20
各式電壓:
- 24V AC/DC
- 110/220V 單相
- 220/380/440V 三相
鋁合金上蓋(圓形):
- 鋁合金材質並覆蓋一層粉體烤漆。
手輪:
- 當使用手動裝置時,使用者可選配手輪以利於現場操作。
手動斷電裝置:
- 使用者可使用工具將驅動器從電動操作位置(Auto)切換至手動操作位置(Manual),即可使用手動裝置進行開關動作。
| 型號 | 最大扭力 | 重量 | 法蘭孔距 (ISO 5211) | 軸 | 軸深度 | ||||
|---|---|---|---|---|---|---|---|---|---|
| N.m | lb.in | Kg | lb | mm | inch | mm | inch | ||
| CM-100 | 100 | 885 | 7.6 | 17 | F07 | 22 | 0.866 | 30 | 1.18 |
| CM-200 | 200 | 1771 | 7.6 | 17 | F07 | 22 | 0.866 | 30 | 1.18 |
| CM-300 | 300 | 2656 | 14 | 31 | F10 | 36 | 1.417 | 40 | 1.18 |
| CM-400 | 400 | 3542 | 14 | 31 | F10 | 36 | 1.417 | 40 | 1.58 |
| CM-500 | 500 | 4427 | 14 | 31 | F10 | 36 | 1.417 | 40 | 1.58 |
| CM-600 | 600 | 5313 | 14 | 31 | F10 | 36 | 1.417 | 40 | 1.58 |
- CE

加熱器
加熱器可使驅動器內部溫度提升並保持乾燥,以防止低溫或高濕度下,潤滑油結凍或濕氣造成故障。如環境溫度高於35℃/95℉以上則不建議加裝。但日夜溫差與夏冬季溫差大時,建議在加熱器前端加裝一只溫控器(25±5℃/77±9℉)使加熱器發揮應有功能。

加熱器溫控開關
當驅動器內部的溫度超過25℃/77℉,加熱器溫控開關可以切斷加熱迴路以停止加熱。

微動開關-乾接點
標準型產品配有全開及全關控制微動開關,可加裝兩只微動開關,作為全開及全關乾接點。

輸出訊號板
此選配可以提供4-20mA輸出信號給開度指示器,適用於開關型驅動器。
圖片是AC 110/220V產品用
比例板
內置式比例板可藉輸入訊號控制驅動器之開度,同時搭配電位計作訊號輸出,讓控制人員掌握閥門之開度狀況。
輸入訊號:4-20mA,1-5V,2-10V。
輸出訊號:4-20mA,2-10V。
OM-1、OM-A、OM-A-M
圖片是AC 110/220V產品用
電位計-可變電阻
只有開關型驅動器可以安裝此選項以提供回朔訊號給開度指示,可選擇1K或5K歐姆的電阻值。

接線盒
此選配可讓使用者不需移除驅動器上蓋,即可藉由此接線盒完成全部接線,可裝於CM-100~CM-600 驅動器。

手輪





