- 首頁
- 電動驅動器
- 電動驅動器
- 90度轉電動驅動器 / OM系列
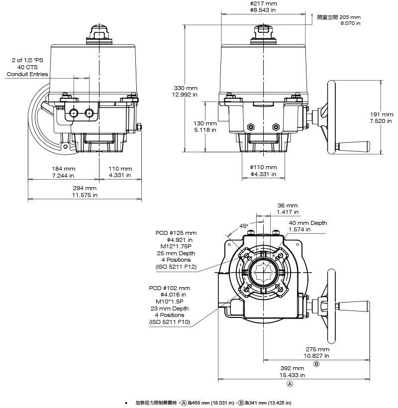
- OM-5
OM-5
外殼
- 鋁合金材質,Polyester 粉體塗裝。
- NEMA Type 4X、5、IP66 & IP67,通過 CSA 屋外使用標準測試。
- ISO 12944-2 C3 防腐蝕等級;另有 C4/C5 可選。
馬達
- 絕緣等級F級。
- 內建溫控保護裝置,避免馬達過熱毀損
DC馬達溫控跳脫溫度: 90±5℃ (194±9℉)
啟動頻率
- 標準: 30%啟動頻率
- 選配: 75%啟動頻率
工作條件
- 環境溫度: -30℃ ~ +65℃( -22℉ ~ +149℉)
- 相對濕度: 30% ~ 95%
開度指示
- 配備機械式開度指示器,可目視閥門開度位置。
手動操作
- 無需離合器切換手動 / 電動控制。
- 馬達運轉時,手輪不會跟著轉動,防止人員受傷或誤操作影響正常運轉。
齒輪
- 高合金鋼齒輪系統,具自鎖作用,防止管道壓差過大,造成閥門閉合元件移位。
- 齒輪組在出廠前,皆以耐高溫潤滑油充份潤滑,在不流失的情況下,可永久不需添加潤滑油脂。
出線孔
- 標準: 1/2” PS
- 選配: 3/4” PF、3/4” NPT、1/2” NPT、M20
電壓
- 12V DC (僅適用開關型)
- 24V AC/DC
- 110-120V AC
- 220-240V AC-單相
- 220-240V AC-三相 (選配比例式控制,必須加裝現場操作器)
- 380~415V AC-三相 (選配比例式控制,必須加裝現場操作器)
- 440~480V AC-三相 (選配比例式控制,必須加裝現場操作器)
運轉角度
- 標準: 0~90°
- 選配: 最大到270°
| 型號 | 扭力 | |
|---|---|---|
| Nm | in-lb | |
| BM-2 | 120 | 1065 |
| OM-A | 50 | 445 |
| OM-AM | 50 | 445 |
| OM-1 | 35 | 310 |
| OM-F | 65 | 575 |
| OM-J | 80 | 708 |
| OM-2 | 90 | 800 |
| OM-G | 120 | 1065 |
| OM-3 | 150 | 1330 |
| OM-H | 300 | 2655 |
| OM-4 | 400 | 3540 |
| OM-5 | 500 | 4430 |
| OM-6 | 650 | 5755 |
| OM-7 | 1000 | 8855 |
| OM-8 | 1500 | 13280 |
| OM-9 | 2000 | 17710 |
| OM-10 | 2500 | 22140 |
| OM-11 | 3000 | 26565 |
| OM-12 | 3500 | 31000 |
| OM-13 | 4500 | 40000 |
| 重量 | 法蘭尺寸 | 輸出軸 | 輸出軸深度 | 手動裝置 | |||
|---|---|---|---|---|---|---|---|
| kg | lb | ISO 5211 | mm | inch | mm | inch | |
| 5.5 | 12.1 | F07 | 22 | 0.886 | 35 | 1.377 | 無 |
| 3 | 6.6 | F05/F07 | 17 | 0.669 | 20 | 0.787 | 無 |
| 3 | 6.6 | F05/F07 | 17 | 0.669 | 20 | 0.787 | 扳手 |
| 2 | 4.4 | F03/F05 | 14 | 0.551 | 17 | 0.669 | 扳手 |
| 11 | 24.3 | F07/F10 | 22 | 0.886 | 30 | 1.181 | 手輪 |
| 3 | 6.6 | F05/F07 | 17 | 0.669 | 20 | 0.787 | 扳手 |
| 10.5 | 23.1 | F07/F10 | 22 | 0.886 | 30 | 1.181 | 手輪 |
| 11 | 24.3 | F07/F10 | 22 | 0.886 | 30 | 1.181 | 手輪 |
| 10.5 | 23.1 | F07/F10 | 22 | 0.886 | 30 | 1.181 | 手輪 |
| 15 | 33.1 | F07/F10 | 22 | 0.886 | 30 | 1.181 | 手輪 |
| 20 | 44.1 | F10/F12 | 36 | 1.417 | 40 | 1.574 | 手輪 |
| 20 | 44.1 | F10/F12 | 36 | 1.417 | 40 | 1.574 | 手輪 |
| 20 | 44.1 | F10/F12 | 36 | 1.417 | 40 | 1.574 | 手輪 |
| 36 | 79.4 | F12 或 F14 | 35 | 1.377 | 60 | 2.362 | 手輪 |
| 36 | 79.4 | F12 或 F14 | 35 | 1.377 | 60 | 2.362 | 手輪 |
| 68.5 | 151 | F14 或 F16 | 75 | 2.952 | 100 | 3.937 | 手輪 |
| 68.5 | 151 | F14 或 F16 | 75 | 2.952 | 100 | 3.937 | 手輪 |
| 68.5 | 151 | F14 或 F16 | 75 | 2.952 | 100 | 3.937 | 手輪 |
| 68.5 | 151 | F14 或 F16 | 75 | 2.952 | 100 | 3.937 | 手輪 |
| 102.5 | 226 | F16/F25 | 72 | 2.834 | 110 | 4.33 | 手輪 |
- CE
- CSA
- UKCA

加熱器
加熱器可使驅動器內部溫度提升並保持乾燥,以防止低溫或高濕度下,潤滑油結凍或濕氣造成故障。如環境溫度高於35℃/95℉以上則不建議加裝。但日夜溫差與夏冬季溫差大時,建議在加熱器前端加裝一只溫控器(25±5℃/77±9℉)使加熱器發揮應有功能。

加熱器溫控開關
當驅動器內部的溫度超過25℃/77℉,加熱器溫控開關可以切斷加熱迴路以停止加熱。

微動開關-乾接點
標準型產品配有全開及全關控制微動開關,可加裝兩只微動開關,作為全開及全關乾接點。
OM-2~OM-13,OM-F,OM-G
輸出訊號板
此選配可以提供4-20mA輸出信號給開度指示器,適用於開關型驅動器。
OM-2~OM-13,OM-F,OM-G 圖片是AC 110/220V產品用
比例板(含 5K VR)
內置式比例板可藉輸入訊號控制驅動器之開度,同時搭配電位計作訊號輸出,讓控制人員掌握閥門之開度狀況。
輸入訊號:4-20mA,1-5V,2-10V。
輸出訊號:4-20mA,2-10V。
OM-2~OM-13,OM-F,OM-G
圖片是AC 110/220V產品用
75% duty cycle (IEC標準)
當驅動器使用超過30%啟動頻率時,建議加裝此控制模組。
OM-2~OM-8:75%啟動頻率
圖片是AC 110/220V產品用
電位計-可變電阻
只有開關型驅動器可以安裝此選項以提供回朔訊號給開度指示,可選擇1K或5K歐姆的電阻值。
OM-2~OM-13(1KΩ or 5KΩ)
現場操作器
提供現場/自動切換選擇,應用於現場控制時可利用關/停/開選擇開關操作。可裝於OM-2~OM-13,OM-F,OM-G驅動器,需與驅動器同時訂購。

扭力限制開關
提供過載保護,以避免驅動器承受過大扭力造成故障,可裝於OM-2~OM-13驅動器,需與驅動器同時訂購。

延遲開關控制板
使驅動器之運轉時間由原來的標準秒數,依使用者需求延長至30秒、60秒、90秒⋯等(最長為200秒),可裝於OM-2~OM-13,220VAC/1PH與OM-2~OM-8,110VAC驅動器。

鏈輪
鏈輪手動裝置是將原本的手輪改為鏈條,便於當驅動器安裝於較高位置時,使用者不需爬高或架梯即可操作手動裝置,此選配項目可運用在OM-2~OM-13。

接線盒
此選配可讓使用者不需移除驅動器上蓋,即可藉由此接線盒完成全部接線,可裝於OM-2~OM-13 驅動器。

並聯板
當一組控制線或開關同時需要控制2組以上驅動器時,可加裝此選配。
OM-2~OM-13,OM-F,OM-G
現場總線控制
Modbus RTU RS485
適用於:
※ OM-2~6, F, G, H 110-120VAC/1-PH, 30% duty cycle
※ OM-2~8, F, G, H 220-240VAC/1-PH, 30% duty cycle
※ OM-2~8, F, G, H 110-240VAC/1-PH, 75% duty cycle
※ OM-9~13, 110-240VAC/1-PH, 50% duty cycle
隔熱毯
它提供驅動器在異常高溫下,於下述工作條件仍可正常動作,夾克型設計
讓使用者可以快速輕鬆地拆卸和重新安裝。
工作條件:
250°C (482°F)二小時內能夠正常工作
300°C (572°F)一小時內能夠正常工作
適用:
開關型-OM-A、OM-AM、OM-1~ OM-8
SS316
適用IP67 (OM-1)、IP68 (OM-2~OM-6、OM-F & OM-G)
註:若有SS316材質外觀尺寸圖需求,請洽銷售人員。

防水等級
IP 68(測試標準依據 IEC 60529 Edition 2.1 : 2001,模擬水下七米實際水壓,將樣品浸沒水中72小時。)




