- 首頁
- 電動驅動器
- 電動驅動器
- 90度轉電動驅動器 / OM系列
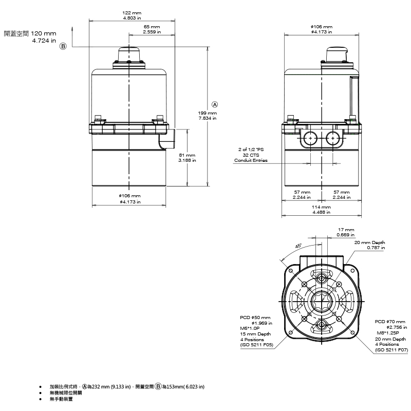
- OM-A
OM-A
外殼
- 鋁合金材質,Polyester粉體塗裝。
- NEMA Type 4X、5、IP66 & IP67,通過 CSA 屋外使用標準測試。
- ISO 12944-2 C3 防腐蝕等級;另有 C4/C5 可選。
馬達
- 絕緣等級F級。
- 內建溫控保護裝置, 避免馬達過熱燒毀。
DC馬達溫控跳脫溫度: 90±5℃(194±9℉)
啟動頻率
- 標準: 30%啟動頻率
- 選配: 75%啟動頻率
工作條件
- 環境溫度: -30℃ ~ +65℃ (-22℉ ~ +149℉)
- 相對濕度: 30% ~ 95%
開度指示
- 配備機械式開度指示器,可目視閥門開度位置。
齒輪
- 高合金鋼齒輪系統,具自鎖作用,防止管道壓差大,造成閥門閉合元件移位。
- 齒輪組在出廠前,以耐高溫潤滑油脂充份潤滑,正常使用不流失的情況下,可永久不需再添加潤滑油脂。
出線孔
- 標準: 1/2” PS
- 選配: 1/2” PF、1/2” NPT、M20
電壓
- 12V DC (僅適用開關型)
- 24V AC/DC
- 110-120V AC (不可並聯接線)
- 220-240V AC-單相 (不可並聯接線)
| 型號 | 扭力 | |
|---|---|---|
| Nm | in-lb | |
| BM-2 | 120 | 1065 |
| OM-A | 50 | 445 |
| OM-AM | 50 | 445 |
| OM-1 | 35 | 310 |
| OM-F | 65 | 575 |
| OM-J | 80 | 708 |
| OM-2 | 90 | 800 |
| OM-G | 120 | 1065 |
| OM-3 | 150 | 1330 |
| OM-H | 300 | 2655 |
| OM-4 | 400 | 3540 |
| OM-5 | 500 | 4430 |
| OM-6 | 650 | 5755 |
| OM-7 | 1000 | 8855 |
| OM-8 | 1500 | 13280 |
| OM-9 | 2000 | 17710 |
| OM-10 | 2500 | 22140 |
| OM-11 | 3000 | 26565 |
| OM-12 | 3500 | 31000 |
| OM-13 | 4500 | 40000 |
| 重量 | 法蘭尺寸 | 輸出軸 | 輸出軸深度 | 手動裝置 | |||
|---|---|---|---|---|---|---|---|
| kg | lb | ISO 5211 | mm | inch | mm | inch | |
| 5.5 | 12.1 | F07 | 22 | 0.886 | 35 | 1.377 | 無 |
| 3 | 6.6 | F05/F07 | 17 | 0.669 | 20 | 0.787 | 無 |
| 3 | 6.6 | F05/F07 | 17 | 0.669 | 20 | 0.787 | 扳手 |
| 2 | 4.4 | F03/F05 | 14 | 0.551 | 17 | 0.669 | 扳手 |
| 11 | 24.3 | F07/F10 | 22 | 0.886 | 30 | 1.181 | 手輪 |
| 3 | 6.6 | F05/F07 | 17 | 0.669 | 20 | 0.787 | 扳手 |
| 10.5 | 23.1 | F07/F10 | 22 | 0.886 | 30 | 1.181 | 手輪 |
| 11 | 24.3 | F07/F10 | 22 | 0.886 | 30 | 1.181 | 手輪 |
| 10.5 | 23.1 | F07/F10 | 22 | 0.886 | 30 | 1.181 | 手輪 |
| 15 | 33.1 | F07/F10 | 22 | 0.886 | 30 | 1.181 | 手輪 |
| 20 | 44.1 | F10/F12 | 36 | 1.417 | 40 | 1.574 | 手輪 |
| 20 | 44.1 | F10/F12 | 36 | 1.417 | 40 | 1.574 | 手輪 |
| 20 | 44.1 | F10/F12 | 36 | 1.417 | 40 | 1.574 | 手輪 |
| 36 | 79.4 | F12 或 F14 | 35 | 1.377 | 60 | 2.362 | 手輪 |
| 36 | 79.4 | F12 或 F14 | 35 | 1.377 | 60 | 2.362 | 手輪 |
| 68.5 | 151 | F14 或 F16 | 75 | 2.952 | 100 | 3.937 | 手輪 |
| 68.5 | 151 | F14 或 F16 | 75 | 2.952 | 100 | 3.937 | 手輪 |
| 68.5 | 151 | F14 或 F16 | 75 | 2.952 | 100 | 3.937 | 手輪 |
| 68.5 | 151 | F14 或 F16 | 75 | 2.952 | 100 | 3.937 | 手輪 |
| 102.5 | 226 | F16/F25 | 72 | 2.834 | 110 | 4.33 | 手輪 |
- CE
- CSA
- UKCA

加熱器
可使驅動器內部溫度提升以防止低溫導致潤滑油脂凝固,並保持驅動器內部乾燥以防止濕氣造成驅動器故障。
日夜或夏、冬季溫差大時,除了加熱器外,建議同時加裝溫控開關, 使熱器發揮應有功能。
環境溫度高於35℃(95℉),則不建議加裝。

加熱器溫控開關
加裝溫控開關,驅動器內部溫度高於25±5℃(77±9℉),即斷開迴路停止加熱。

輔助微動開關(乾接點)
驅動器標準配備兩只微動開關(LS1、LS2)作全開、全關行程/位置控制;可加裝兩只輔助微動開關(LS3、LS4),作全開和全關指示乾接點。

類比訊號輸出板
適用開關/浮動型驅動器,提供不同輸出訊號種類。
● 輸出訊號: 0-20mA、4-20mA、0-5V、0-10V、1-5V、2-10V
圖片是 DC 24V產品用
比例式控制(含 5kΩ 電位計)
藉由類比訊號輸入、輸出變化量搭配電位計控制閥門開度位置
● 輸入訊號:4-20mA、1-5V、2-10V
● 輸出訊號:4-20mA、2-10V
OM-1、OM-A、OM-A-M
圖片是 AC 110/220V產品用
高啟動頻率(含馬達)
驅動器應用在高於額定的30% 啟動頻率時,建議加裝此控制模組
OM-1、OM-A、OM-A-M:75%啟動頻率
圖片是AC 110/220V產品用
電位計 (可變電阻)
開關/浮動型驅動器,可選擇 1kΩ 或 5kΩ 作為位置感測器

隔離繼電器模組
使用一組控制線或開關來控制2只以上驅動器時,必須使用隔離繼電器,避免驅動器動作異常或導致驅動器損壞。
用於OM-1,OM-A,OM-AM
通訊協定
Modbus RTU RS485
適用:
● OM-2 ~ OM-6、OM-F、OM-G、OM-H,AC 110-120V,30% 啟動頻率
● OM-2 ~ OM-8、OM-F、OM-G、OM-H,AC 220-240V 單相,30% 啟動頻率
● OM-1、OM-A 、OM-AM,AC/DC 24V,75% 啟動頻率
● OM-1、OM-A 、OM-AM、OM-2 ~ OM-8、OM-H,AC 110-120V、AC 220-240V 單相,75% 啟動頻率
● OM-9 ~ OM-13,AC 110-120V、AC 220-240V 單相, 50% 啟動頻率
現場操作器
提供現場 / 遠端控制選擇,應用於現場控制時,利用關 / 停 / 開 選擇開關操作。
標準:IP65
選配:IP67
● OM-1、OM-A、OM-AM 比例控制型,無法選配現場操作器
● OM-2 ~ OM-13 三相電壓+比例式控制型,必須加裝現場操作器

接線盒
讓使用者不需打開驅動器上蓋,即可完成外部電氣接線。

隔熱毯
使驅動器在下列高溫環境下, 於一段時間內,仍可正常動作;夾克型設計,可快速拆卸和重新安裝。
250°C(482°F)2小時內 正常動作
300°C(572°F)1小時內 正常動作
適用:OM-A/OM-AM、OM-1 ~ OM-8 (僅適用開關型)



.jpg)
.jpg)