T-6
- 可安裝於空間較小的地方。
- 鋁合金外殼具NEMA 4X防護等級(選配)。
- 具手動裝置可於無電力來源時使用。
- 馬達內建溫控保護以預防馬達燒毀。
- 結構簡單,容易操作。
- CE
- CSA
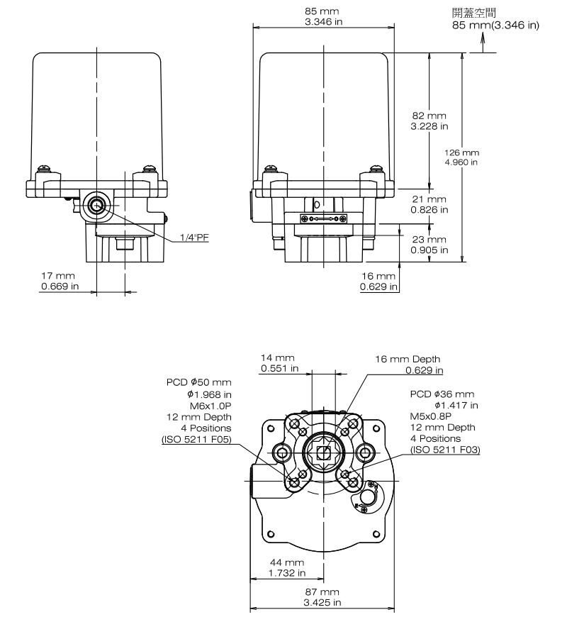
◉ 此外觀尺寸圖僅適用於110/220VAC。若您需要24V或12VDC,請聯繫業務人員。
| 上蓋材質/防護等級 | 塑膠 / NEMA 4X/5, IP67,- 30°C ~ +65°C (-22°F ~ 149°F) |
|---|---|
| 法蘭孔距 | ISO5211 F04 |
| 出線孔 (電纜長度:1m) |
註:此防水塞及電纜線僅適用於屋內使用,如需屋外使用,請更換為適合的防水塞及電纜線。 |




