- 首頁
- 電動驅動器
- 電動驅動器
- 彈簧式失效安全電動驅動器 / S系列
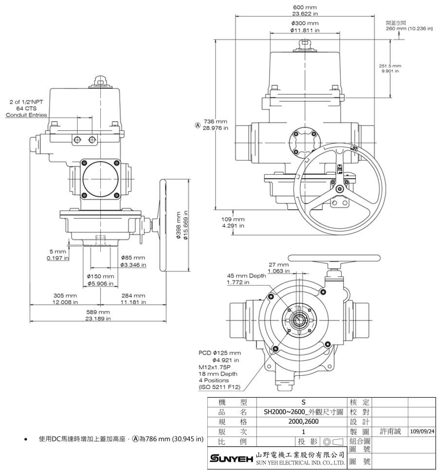
- S-2000
S-2000
標準功能
- 啟動頻率: 50% (-40℃ ~ +40℃)、30% (+41℃ ~ +65℃)
- 開/關控制
工作條件
- 環境溫度: -30℃ ~ +65℃/-22℉ ~ +149℉(標準);-40℃ ~ +65℃/-40℉ ~ +149℉(選配)
- 相對濕度: 30% ~ 95%
外殼
- 鋁合金材質,Polyester 粉體塗裝。
- IP68 (7公尺, 72小時)、NEMA Type 4X / 5,通過CSA屋外使用標準測試。
- ISO 12944-2 C3 防腐蝕等級;另有C4/C5可選。
潤滑
- 齒輪組出廠前,皆以耐高溫潤滑油脂充分潤滑,正常使用不流失情況下,可永久不需添加潤滑油脂。
開度指示
- 機械式開度指示器,方便目視閥門開度位置。
電壓
- 24V AC、24V DC (24V無浮動式或比例式控制)
- 110-120V AC
- 220-240V AC-單相
- 220-240V AC-三相 (無浮動式或比例式控制)
- 380-415V AC-三相 (無浮動式或比例式控制)
- 440-480V AC-三相 (無浮動式或比例式控制)
出線孔
- 標準: 1/2" NPT
- 選配: 3/4" NPT、M20
- CE
- CSA
- SIL

加熱器
可使驅動器內部溫度上升,保持乾燥,防止低溫或高濕度下,潤滑油脂凝固或濕氣造成故障。如環境溫度高於35℃/95℉,則不建議加裝。但日夜溫差與夏冬季溫差大時,建議加熱溫控開關,使加熱器發揮應有功能。

加熱器溫控開關
加熱器溫控開關可在驅動器內部溫度超過25±5°C (77±9°F)時,切斷加熱迴路以停止加熱。

輔助微動開關-乾接點
標準型產品配置兩只微動開關作全開、全關控制,可加裝兩只微動開關,作為全開及全關乾接點。
浮動式控制
利用外部控制器可使驅動器於0°~90°行程中間任意位置開、關、停 ;外部電力停止時,不論驅動器在任何位置,彈簧釋放讓驅動器順時鐘運轉至極限位置後停止。(此運轉方向為電源失敗時,順時針運轉之驅動器)
圖片是AC 110/220V產品用
比例式控制
內置式比例板可藉由輸入訊號控制閥門開度,搭配電位計作訊號輸出,調節閥門開度。
輸入訊號:4-20mA,1-5V,2-10V
輸出訊號:4-20mA,2-10V
圖片是AC 110/220V產品用
運轉方向
標準:電源失敗時,驅動器順時針旋轉。
選配:電源失敗時,驅動器逆時針旋轉。

手動裝置

隔熱毯
隔熱毯使驅動器在暴露於特定時間的高溫環境仍可正常運作。可拆式夾克型設計,可快速輕鬆拆卸和重新安裝。
250°C (482°F) 2小時內能夠正常工作。
300°C (572°F) 1小時內能夠正常工作。
400°C (752°F) 2小時內能夠正常工作。
適用:S500, S1300, S2000, S2600, 110~120Vac / 220~240VAC, 開關型




