- 首頁
- 電動驅動器
- 防爆電動驅動器
- 防爆彈簧式失效安全電動驅動器 / SE系列
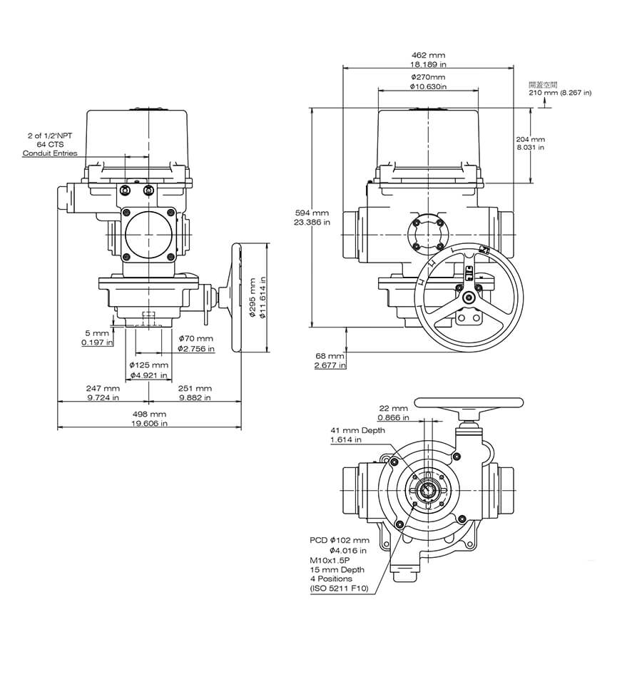
- SE-1300
SE-1300
- IP68(7公尺, 72小時)
- 控制方式:開關型、比例式、三點浮動型
- 手動裝置 (選配)
- ISO 5211 安裝介面
- 馬達內建溫控保護以防止馬達過熱燒毀
控制模式:
- 標準:開關型
- 選配:比例式型、三點浮動型
出線孔:
- 標準: 1/2 ” NPT
- 選配: 3/4” NPT、M20、M25
手動裝置(選配):
- 不需離合器即可手動與電動切換。
- 當驅動器運轉時,不會因為人為誤動手輪而影響正常運轉。
彈簧復歸方向:
- 彈簧復位方向需於廠內進行組裝,無法於客戶端修改,請於下單時依應用需求選擇順時針或逆時針運轉之驅動器。
- 標準:電源失敗時,驅動器順時針轉。
- 選配:電源失敗時,驅動器逆時針轉。
危險場所產品認證
台灣防爆認證-TS
| 防爆標誌 | 環境溫度 | |
|---|---|---|
| Ex db IIB T4 Gb | -30°C ~ +70°C (-22°F ~ +158°F) | |
| Ex tb IIIC T130°C Db | -30°C ~ +70°C (-22°F ~ +158°F) | |
引用標準: IEC 60079-0, IEC 60079-1, IEC60079-31
中國防爆認證-CNEx
| 防爆標誌 | 環境溫度 | |
|---|---|---|
| Ex db IIB T4 Gb | -30°C ~ +70°C (-22°F ~ +158°F) | |
| Ex tb IIIC T130°C Db | -30°C ~ +70°C (-22°F ~ +158°F) | |
引用標準: GB/T3836.1, GB/T3836.2, GB/T3836.31
歐盟防爆認證-ATEX
| 指令 | 防爆標誌 | 環境溫度 |
|---|---|---|
| ATEX II 2 GD | Ex db IIB T4 Gb | -30°C ~ +70°C (-22°F ~ +158°F) |
| ATEX II 2 GD | Ex tb IIIC T130°C Db | -30°C ~ +70°C (-22°F ~ +158°F) |
引用標準:IEC 60079-0, IEC 60079-1, IEC60079-31
國際防爆認證-IECEx
| 防爆標誌 | 環境溫度 | |
|---|---|---|
| Ex db IIB T4 Gb | -30°C ~ +70°C (-22°F ~ +158°F) | |
| Ex tb IIIC T130°C Db | -30°C ~ +70°C (-22°F ~ +158°F) | |
引用標準:IEC 60079-0, IEC 60079-1, IEC60079-31
北美防爆認證-CSA
Zone 系統
| 防爆代號 | 防爆等級 | 危險區域 (Zone) | 防護型式 | 設備組別 | 溫度組別 | 環境溫度 |
|---|---|---|---|---|---|---|
| AEx / Ex | I | 1 | db | IIA, IIB | T4 | -30°C ~ +70°C (-22°F ~ +158°F) |
| AEx / Ex | II | 21 | tb | IIIA, IIIB, IIIC | T130°C | -30°C ~ +70°C (-22°F ~ +158°F) |
引用標準:CAN / CSA-C22.2 No. 0:20, CAN / CSA-C22.2 No. 60079-0, CAN / CSA-C22.2 No. 60079-1,CAN / CSA-C22.2 No. 60079-31, UL 60079-0, UL 60079-1, UL 60079-31
Division 系統
| 危險等級 | 危險區域 (Division) | 設備組別 | 溫度組別 | 環境溫度 |
|---|---|---|---|---|
| I | 1 | C, D | T4 | -30°C ~ +70°C (-22°F ~ +158°F) |
| II | 1 | E, F, G | T130°C | -30°C ~ +70°C (-22°F ~ +158°F) |
引用標準: CAN / CSA-C22.2 No. 0:20, CSA C22.2 No. 30-M1986, CSA C22.2 No. 25-17, FM 3600,FM 3615, FM 3616
英國防爆認證-UKEX
| 指令 | 防爆標誌 | 環境溫度 |
|---|---|---|
| UKCA II 2 GD | Ex db IIB T4 Gb | -30°C ~ +70°C (-22°F ~ +158°F) |
| UKCA II 2 GD | Ex tb IIIC T130°C Db | -30°C ~ +70°C (-22°F ~ +158°F) |
引用標準:EN 60079-0, EN 60079-1, EN 60079-31
- CSA 北美危險場所產品認證
- TS 台灣防暴認證
- IECEx 國際防爆認證
- ATEX 歐盟防爆認證
- CNEX / CCC 中國防爆認證
- UKEX 英國防爆認證
- SIL 安全完整性認證

加熱器
加熱器可使驅動器內部溫度提升並保持乾燥,以防止低溫或高濕度下,潤滑油結凍或濕氣造成故障。如環境溫度高於3 5℃/95℉以上則不建議加裝。但日夜溫差與夏冬季溫差大時,建議在加熱器前端加裝一只溫控器(25±5℃/77±9℉)使加熱器發揮應有功能。

加熱器溫控開關
當驅動器內部的溫度超過25℃/77℉,加熱器溫控開關可以切斷加熱迴路以停止加熱。

微動開關-乾接點
標準型產品配有全開及全關控制微動開關,可加裝兩只微動開關,作為全開及全關乾接點。
輸出訊號板
此選配可以提供4-20mA輸出信號給開度指示器,適用於開關型驅動器。
圖片是AC 110/220V產品用
三點浮動控制
利用外部控制器可以讓驅動器於0~90度間任意開、關或停止;外部電力停止時,不管驅動器在任何位置,都可以透過彈簧讓驅動器順時鐘運轉至極限位置後停止。(此運轉方向是驅動器電源失敗時順時針運轉之產品)
圖片是AC 110/220V產品用
比例式控制
內置式比例板可藉由輸入訊號控制驅動器之開度,同時搭配電位計作訊號輸出,讓控制人員掌握閥門之開度狀況。
輸入訊號:4-20mA,1-5V,2-10V
輸出訊號:4-20mA,2-10V
圖片是AC 110/220V產品用
運轉方向
標準:電源失敗時,驅動器正轉。
選配:電源失敗時,驅動器逆轉。

手動裝置

電位計-可變電阻
只有開關型驅動器可以安裝此選項以提供回朔訊號給開度指示,可選擇1K或5K歐姆的電阻值。


❶ 扭力
- 500、1300、2000、2600
❷ 電壓
- D24– 24V DC; 24 – 24V AC
- 110 – 110V AC; 120 – 120V AC
- 220 – 220V AC; 240 – 240V AC
- 380 – 380V AC; 440 – 440V AC
❸ 彈簧復歸方向
- CW –電源失敗時,驅動器順時針轉。
- CCW –電源失敗時,驅動器逆時針轉。
❹ 控制模式
- T –開關型控制
- M –比例式控制
- F –三點浮動控制
❺ 手動裝置
- Y–有手動裝置
- N–無手動裝置




