- 首頁
- 電動驅動器
- 電動驅動器
- 直線型電動驅動器 / L系列
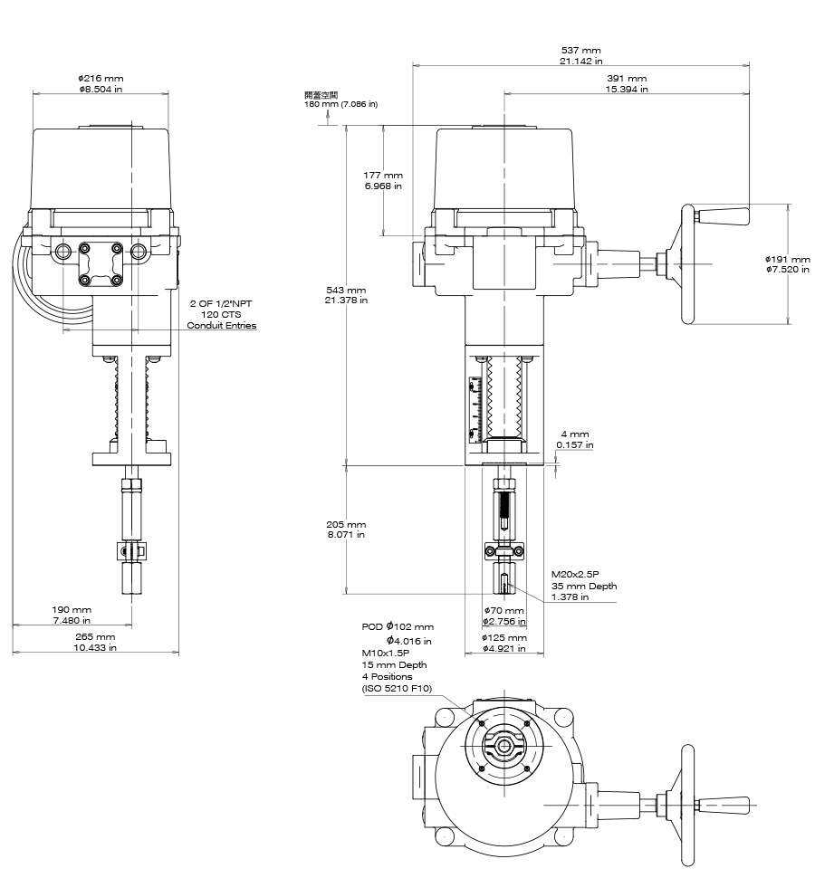
- L-2000
L-2000
外殼:
- IP67、NEMA 4X:防水和防塵等級﹙符合屋外使用測試標準﹚。
- 材質:鋁合金粉體塗裝,耐候性佳。
開度指示器:
- 所有型號備有連續機械式開度指示,此可見的外部傳動桿開度指示可讓客戶更容易判斷閥桿的位置。
比例式控制器:
- 內置式比例板可藉由輸入訊號控制驅動器之開度,同時搭配電位計作訊號輸出,讓控制人員掌握閥門之開度狀況。
- 輸入訊號:4~20mA,1~5V或2~10V。
- 輸出訊號:4~20mA或2~10V。
可調式行程:
- 讓驅動器可以依照閥桿長度需求調整運轉行程(行程範圍參考規格表)
馬達:
- 所有型號採用DC馬達,提供低消秏、高啟動頻率及效能。(每小時1500次)
環境溫度:
- 溫度:-30℃ ~ +65℃ / -22℉ ~ +149℉
- 溼度:30% ~ 95%
慢速操作:
- 除標準運轉速度,如需較慢速度請洽業務。
出線孔:
- 標凖:1/2” NPT
- 選配:M20, 或 3/4” NPT
電壓:
- 24V AC/DC
- 110/220V AC
- CE
- CSA

加熱器
加熱器可使驅動器內部溫度提升並保持乾燥,以防止低溫或高濕度下,潤滑油結凍或濕氣造成故障。如環境溫度高於35℃(95℉)以上則不建議加裝。但日夜溫差與夏冬季溫差大時,建議在加熱器前端加裝一只溫控器(25±5℃/77±41℉)使加熱器發揮應有功能。

加熱器溫控開關
當驅動器內部的溫度超過25℃/77℉,加熱器溫控開關可以切斷加熱迴路以停止加熱。

開關型控制器(Floating)
依外部開關控制的特性,可達到兩個位置或三點浮動的方式來控制驅動器。
開關型(L-250~L-500)
註:電子板照片為110/220V AC 電壓使用
開關型控制器(Floating)
依外部開關控制的特性,可達到兩個位置或三點浮動的方式來控制驅動器。
開關型(L-1000~L-2000)
註:電子板照片為110/220V AC 電壓使用
電位計-可變電阻
只有開關型驅動器可以安裝此選項以提供回朔訊號給開度指示,可選擇1K或5K歐姆的電阻值。

現場總線控制
Modbus (MODBUS 與比例式控制模式不能同步使用。)




