產品名稱 : LE-250
產品描述

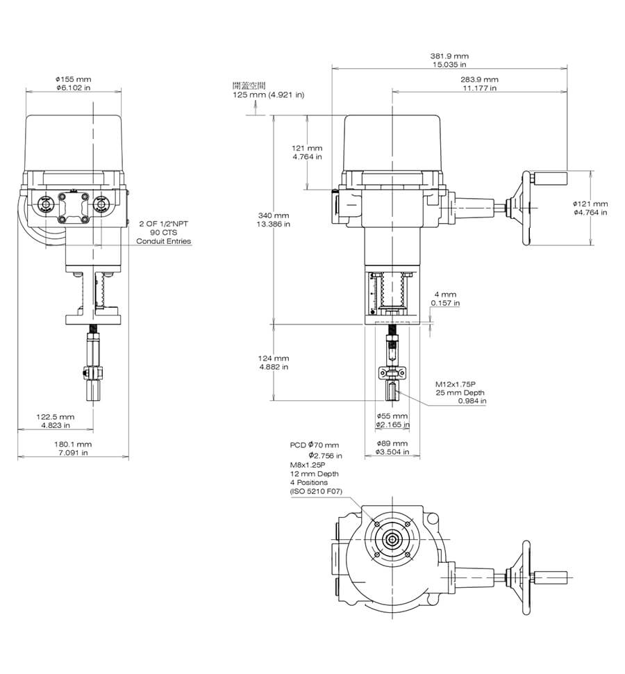
LE250 防爆直線型電動驅動器,輸出推力250 kg-f (2.45 kN),最大行程50 mm / 2 inch,行程可調。IP68 (7m, 72 hrs)隔爆型防護外殼。標準配置比例式控制,可搭配球型閥、閘閥等閥門,應用於HVAC及工業系統,尤其是蒸氣或高溫環境。

LE系列防爆直線型電動驅動器,認證等級 II2 GD Ex db IIB T4 Gb, Ex tb IIIC T130°C Db ; 適用於於含IIA、IIB 可燃性氣體之1 區、2 區 危險場所或IIIA、IIIB、IIIC 可燃性粉塵的21 區、22 區之危險場所。通過ATEX 2014/34/EU、IEC 60079-0, 1, 31、CAN/CSA-C22.2 No. 60079-0, 1, 31、ANSI/UL 60079-0, 1, 31 等防爆標準測試。

  • IP68 (7公尺, 72小時)
  • 自鎖齒輪系統可防止管內壓差造成閥片移動
  • 採用DC馬達, 75%高啟動頻率
  • 外部閥桿位置指示器提供精確的閥門運行位置
  • 低功耗
  • 具手動裝置可於無電力時使用
  • ISO 5210法蘭安裝介面
  • 馬達內建溫控保護裝置, 防止馬達過熱燒毀
  • 推力過載保護;當輸出推力超過額定值, 驅動器會藉由微動開關切斷電源供給, 避免推力過載。

控制模式:

  • 標準:比例式
  • 選配:開關型/三點浮動型

出線孔:

  • 標準: 1/2 ” NPT
  • 選配: 3/4” NPT、M20、M25

危險場所產品認證

台灣防爆認證-TS

防爆標誌環境溫度
Ex db IIB T4 Gb - 30 °C ~ + 70 °C (- 22 °F ~ +158 °F)
Ex tb IIIC T130°C Db - 30 °C ~ + 70 °C (- 22 °F ~ +158 °F)


引用標準: IEC 60079-0, IEC 60079-1, IEC60079-31


中國防爆認證-CNEx / CCC

防爆標誌環境溫度
Ex db IIB T4 Gb - 30 °C ~ + 70 °C (- 22 °F ~ +158 °F)
Ex tb IIIC T130 °C Db - 30 °C ~ + 70 °C (- 22 °F ~ +158 °F)


引用標準: GB/T3836.1, GB/T3836.2, GB/T3836.31


歐盟防爆認證-ATEX

指令防爆標誌環境溫度
ATEX II 2 GD Ex db IIB T4 Gb -30°C ~ +70°C (-22°F ~ +158°F)
ATEX II 2 GD Ex tb IIIC T130°C Db -30°C ~ +70°C (-22°F ~ +158°F)


引用標準 :IEC 60079-0, IEC 60079-1, IEC60079-31


國際防爆認證-IECEx

防爆標誌環境溫度
Ex db IIB T4 Gb -30°C ~ +70°C (-22°F ~ +158°F)
Ex tb IIIC T130°C Db -30°C ~ +70°C (-22°F ~ +158°F)


引用標準:IEC 60079-0, IEC 60079-1, IEC60079-31


北美防爆認證-CSA

Zone系統

防爆代號防爆等級危險區域防護型式設備組別溫度組別環境溫度
AEx / Ex I 1 db IIA, IIB T4 -30°C ~ +70°C (-22°F ~ +158°F)
AEx / Ex II 21 tb IIIA, IIIB, IIIC T130°C -30°C ~ +70°C (-22°F ~ +158°F)


引用標準 :CAN / CSA-C22.2 No. 0:20, CAN / CSA-C22.2 No. 60079-0, CAN / CSA-C22.2 No. 60079-1, CAN / CSA-C22.2 No. 60079-31, UL 60079-0, UL 60079-1, UL 60079-31


英國防爆認證-UKEX

指令防爆標誌環境溫度
UKCA II 2 GD Ex db IIB T4 Gb -30°C ~ +70°C (-22°F ~ +158°F)
UKCA II 2 GD Ex tb IIIC T130°C Db -30°C ~ +70°C (-22°F ~ +158°F)


引用標準:EN 60079-0, EN 60079-1, EN 60079-31

  • CSA Zone 系統 北美危險場所產品認證
  • TS 台灣防爆認證
  • IECEx 國際防爆認證
  • ATEX 歐盟防暴認證
  • CNEX / CCC 中國防爆認證
  • UKEX 英國防爆認證

proimages/product/LE/LE0205S01B_TW.jpg

加熱器

加熱器可使驅動器內部溫度提升並保持乾燥,以防止低溫或高濕度下,潤滑油結凍或濕氣造成故障。如環境溫度高於35℃(95℉)以上則不建議加裝。但日夜溫差與夏冬季溫差大時,建議在加熱器前端加裝一只溫控器(25±5℃/77±41℉)使加熱器發揮應有功能。

proimages/options/加熱器.png

加熱器溫控開關

當驅動器內部的溫度超過25℃/77℉,加熱器溫控開關可以切斷加熱迴路以停止加熱。

開關型控制器(Floating)

依外部開關控制的特性,可達到兩個位置或三點浮動的方式來控制驅動器。

開關型(LE250~LE500)
註:電子板照片為110/220V AC 電壓使用

開關型控制器(Floating)

依外部開關控制的特性,可達到兩個位置或三點浮動的方式來控制驅動器。

開關型(LE1000~LE2000)
註:電子板照片為110/220V AC 電壓使用

❶ 推力

  • 250、500、1000、2000

❷ 電壓

  • D24 – 24V DC; 24 – 24V AC
  • 110 – 110V AC; 120 –120V AC
  • 220 – 220V AC; 240 – 240V AC

❸ 控制模式

  • M –比例式
  • F –開關型/三點浮動
您有最新消息